EasyManua.ls Logo

ABB E3S 20 - Page 138

ABB E3S 20
161 pages
Print Icon
To Next Page IconTo Next Page
To Next Page IconTo Next Page
To Previous Page IconTo Previous Page
To Previous Page IconTo Previous Page
Loading...
L2234
Emax
137/158
Doc. No.
Model
1SDH000460R0002
Apparatus
Scale
Page No.
L2778
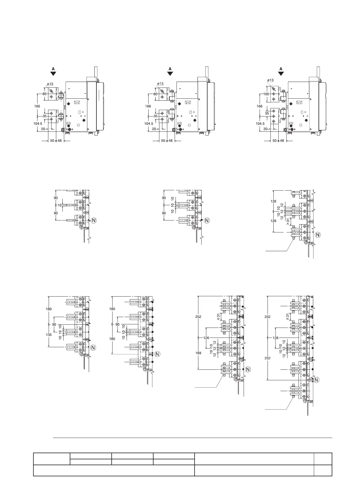
E1
E2/E4 E3/E6
Fixed circuit-breaker
Basic version with vertical rear terminals
E1
View A
E2
View A
E3
View A
Captive M12
included in the
supply
E4
View A
E6
View A
E6/f
View A
Captive M12
included in the
supply
Captive M12
included in the
supply
E4/f
View A
Fig. 36a

Table of Contents

Related product manuals