EasyManua.ls Logo

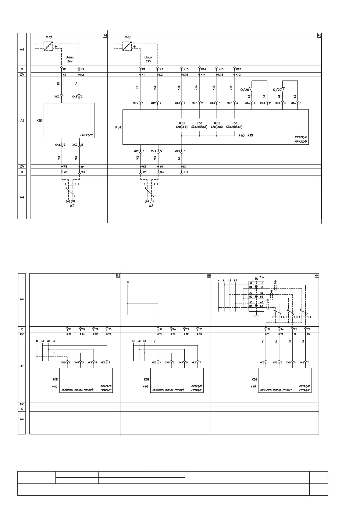
ABB E3S 32 - Auxiliary circuits of the PR121, PR122 and PR123 releases; PR120;V measuring module

ABB E3S 32
161 pages
Print Icon
To Next Page IconTo Next Page
To Next Page IconTo Next Page
To Previous Page IconTo Previous Page
To Previous Page IconTo Previous Page
Loading...
L2234
Emax
156/158
Doc. No.
Model
1SDH000460R0002
Apparatus
Scale
Page No.
L2778
Auxiliary circuits of the PR121, PR122 and PR123 releases
PR120/V measuring module
* X)
Warning: see note F
Warning: see note 0

Table of Contents

Related product manuals