EasyManua.ls Logo

ABB EBN853 - Overview

ABB EBN853
44 pages
Print Icon
To Next Page IconTo Next Page
To Next Page IconTo Next Page
To Previous Page IconTo Previous Page
To Previous Page IconTo Previous Page
Loading...
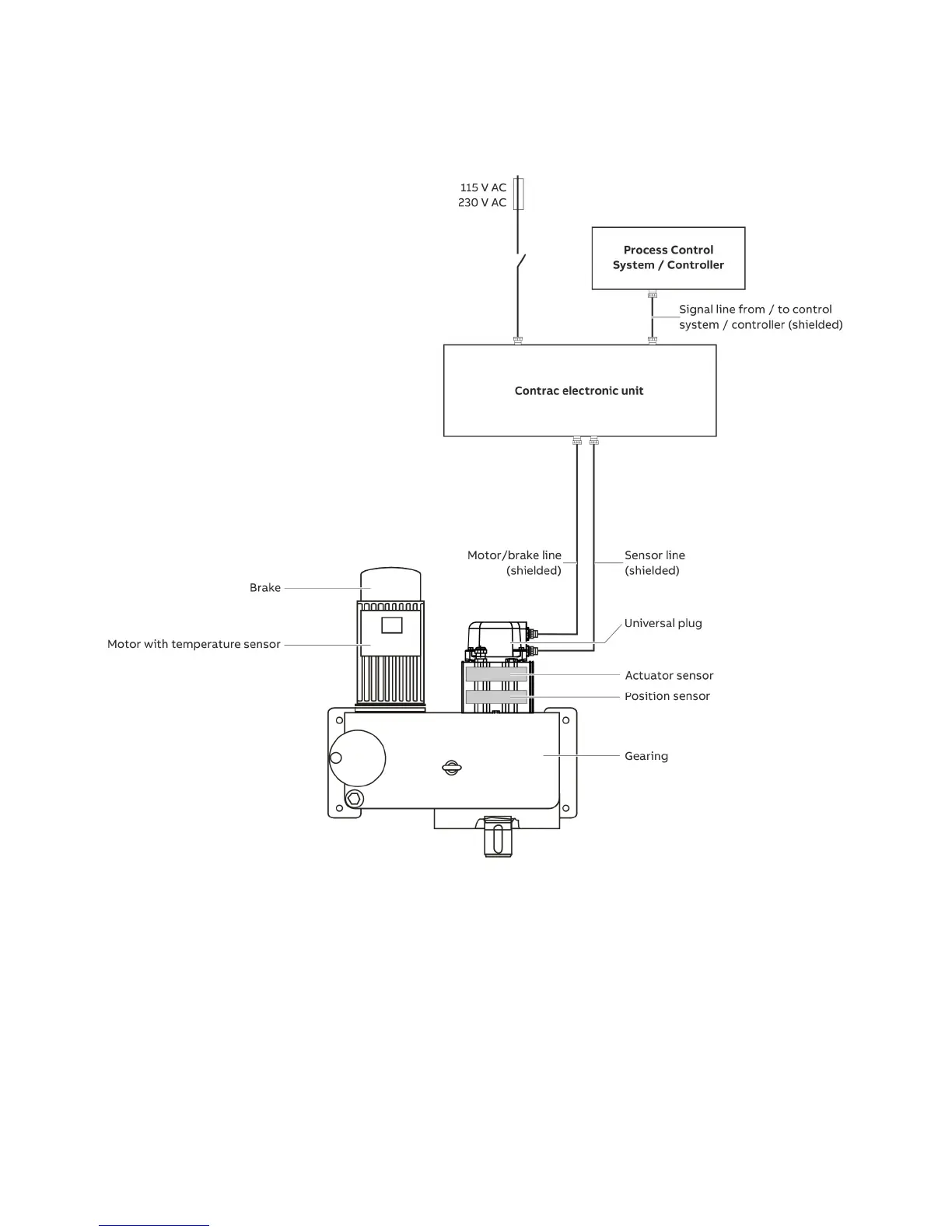
LME620-AI / PME120-AI / EAN823 / EBN853 / EBN861 ELECTRONIC UNIT | OI/PME/LME/EAN823/EBN853/EBN861-EN REV. E 7
Overview
Figure 4: Structure of the Contrac components (example)

Table of Contents

Other manuals for ABB EBN853

Related product manuals