EasyManua.ls Logo

ABB RD3P - Page 51

ABB RD3P
Print Icon
To Next Page IconTo Next Page
To Next Page IconTo Next Page
To Previous Page IconTo Previous Page
To Previous Page IconTo Previous Page
Loading...
1 2 3 4 5 6
9 10 11 1287
2
3
5
10
30
1
2
3
5
10
1
0,5
0,3
0,1
0,03
0,5
0,3
0,2
0,06
0
FAULTON
l %
l
n [A] t [s]
ONOFF
20% 40% 60% 80%
Pre Alarm
Autoreset
TEST RESET
IEC60947-2/M
RD3P
Test no Trip (3s)
Remote Reset
TR...
PE
4 3 2 1
T2-T1 S2-S1
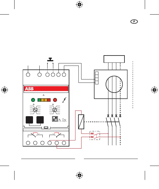
Bobine à lancement
230V
Interrupteur
magnétothermique
quadripolaire
L1 L3L2 N
L O A D
POWER SUPPLY
RD3P: 230-400 VAC
RD3P-48: 12-48 VAC/DC
2
3
5
10
30
1
2
3
5
10
1
0,5
0,3
0,1
0,03
0,5
0,3
0,2
0,06
0
FAULTON
l %
l
n [A] t [s]
ONOFF
20% 40% 60% 80%
Pre Alarm
Autoreset
TEST RESET
IEC60947-2/M
RD3P
Test no Trip (3s)
Remote Reset
Bobine de
tension mini
230V
TR...
L1 L3L2 N
4 3 2 1
T2-T1 S2-S1
L O A D
PE
Interrupteur
magnétothermique
quadripolaire
1 2 3 4 5 6
POWER SUPPLY
RD3P: 230-400 VAC
RD3P-48: 12-48 VAC/DC
9 10 11 1287
Situation de panne
Branchement avec bobine de tension mini:
51
ABB_76x88mm_RD3P_rev4.indd 51 19/09/11 11:04

Related product manuals