EasyManua.ls Logo

ABB STD-MTS - Page 2

ABB STD-MTS
Print Icon
To Next Page IconTo Next Page
To Next Page IconTo Next Page
To Previous Page IconTo Previous Page
To Previous Page IconTo Previous Page
Loading...
D
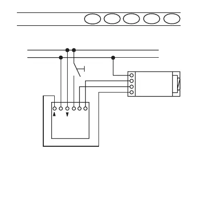
Fig. 1
N
L1
x
EVG/EEC/EVSA
N
+
-
L
1 - +N
STD-MTS
EG 7460
D
F
GB
NL
I

Related product manuals