EasyManua.ls Logo

ABB STD-MTS - Page 3

ABB STD-MTS
Print Icon
To Next Page IconTo Next Page
To Next Page IconTo Next Page
To Previous Page IconTo Previous Page
To Previous Page IconTo Previous Page
Loading...
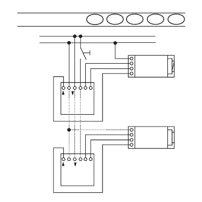
D
Fig. 2
N
L1
x
EVG/EEC/EVSA
N
-
+
L
1 - +N
EVG/EEC/EVSA
L
+
-
N
x
N 1- +
STD-MTS
EG 7460
STD-MTS
EG 7460
D
F
GB
NL
I

Related product manuals