EasyManua.ls Logo

ABB VHK 20 - Page 27

ABB VHK 20
34 pages
Print Icon
To Next Page IconTo Next Page
To Next Page IconTo Next Page
To Previous Page IconTo Previous Page
To Previous Page IconTo Previous Page
Loading...
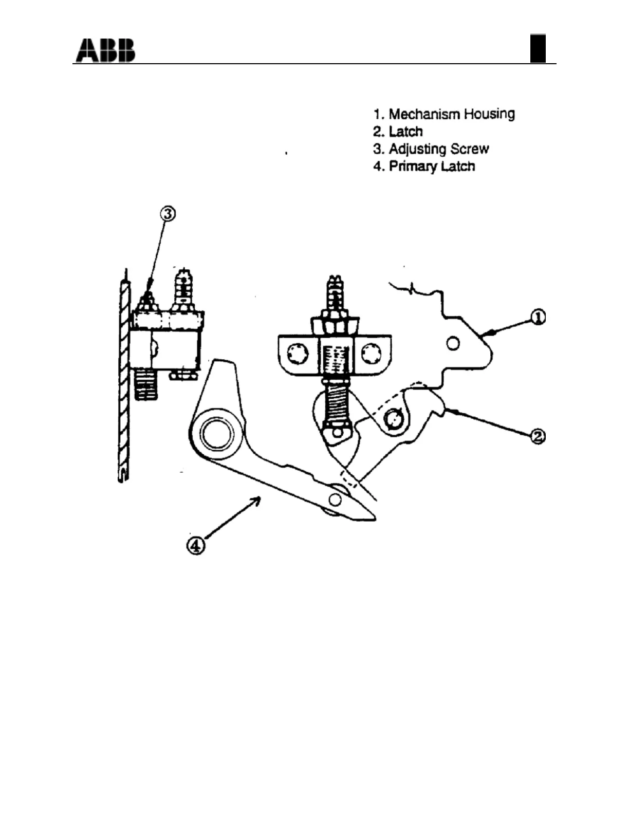
APPENDIX IB 6.2.7.7-3I
2
7
TRIP LATCH ENGAGEMENT ADJUSTMENT
FIGURE A10

Related product manuals