EasyManua.ls Logo

ABB VT Guard Pro - VT Guard Pro-D Application and Settings

ABB VT Guard Pro
10 pages
Print Icon
To Next Page IconTo Next Page
To Next Page IconTo Next Page
To Previous Page IconTo Previous Page
To Previous Page IconTo Previous Page
Loading...
5 1VLM000651, Rev.3, en 2014.01.21
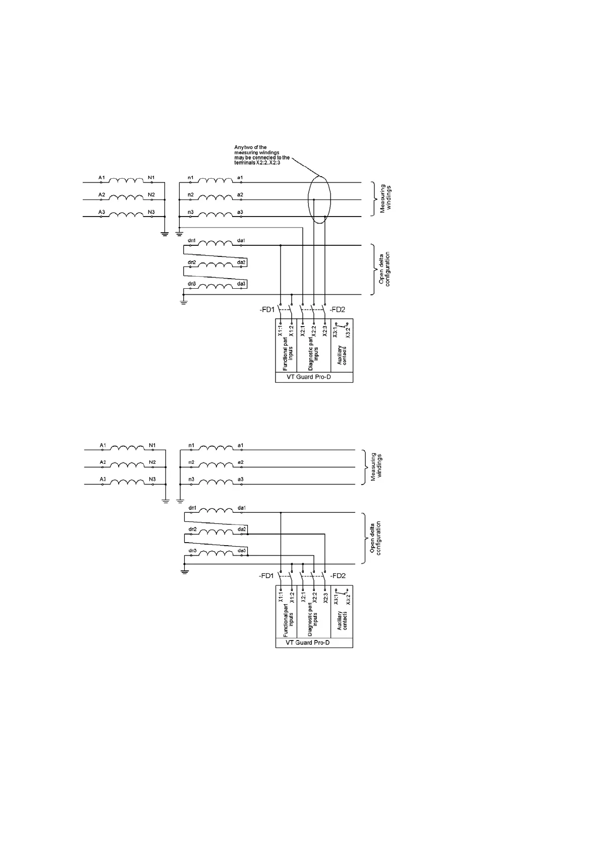
should be done the same way as in the case of VT Guard Pro (Fig. 22, Fig.) Separate power supply is needed for
diagnostic part. There are two recommended ways how to supply power to the diagnostic part (described in Fig. 4
and Fig. 5
5).
The earthed star-point (n1, n2, n3) has to be connected to the X2:1 terminal (diagnostic part)
and earthed part of the open delta (dn3) configuration to the terminal X1:2 (functional part), for the connection
on Fig. 4.
Fig. 4– Recommend connection of the diagnostic supply
Fig. 5 Recommend connection of the diagnostic supply

Related product manuals