EasyManua.ls Logo

ABS AFP 0831S - General Product Information; Application Areas; Explosion-Proof Approvals; Explosion-Proof Zone Usage

Default Icon
12 pages
Print Icon
To Next Page IconTo Next Page
To Next Page IconTo Next Page
To Previous Page IconTo Previous Page
To Previous Page IconTo Previous Page
Loading...
Installation and Operating Instructions 7
ABS submersible sewage pump AFP 0831S and 0841S
4 Setup and installation
ATTENTION All relevant regulations covering sewage pumping installations and, where
applicable, explosion-proof installations must be complied with.
c
The cable duct to the control panel should be made gas-tight by filling with foam after the power
supply and control circuit cables have been laid.
m
Particular attention must be paid to the safety regulations covering work in closed areas in
sewage plants as well as good general technical practices .
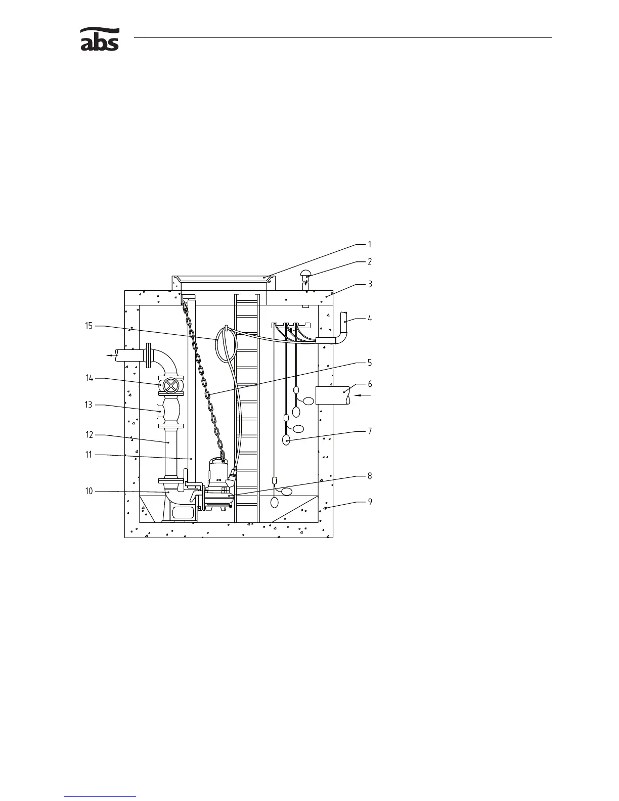
4.1 Installation example in concrete sump
Legend
1000-00
1 Sump cover
2 Venting line
3 Sump cover
4 Sleeve for cable
protective duct to
the control panel
5 Chain
6 Inflow line
7 Ball type float switch
8 Submersible pump
9 Concrete sump
10 Pedestal
11 Guide tube
12 Discharge line
13 Non-return valve
14 Gate valve
15 Power cable to motor
Installation example in concrete sump
4.2 Discharge line
The discharge line must be installed in compliance with the relevant regulations.
DIN 1986/100 and EN 12056 applies in particular to the following:
The discharge line should be fitted with a backwash loop (180° bend) located above the backwash level and
should then flow by gravity into the collection line or sewer.
The discharge line should not be connected to a down pipe.
No other inflows or discharge lines should be connected to this discharge line.
ATTENTION The discharge line should be installed so that it is not affected by frost.
-
-
-

Related product manuals