EasyManua.ls Logo

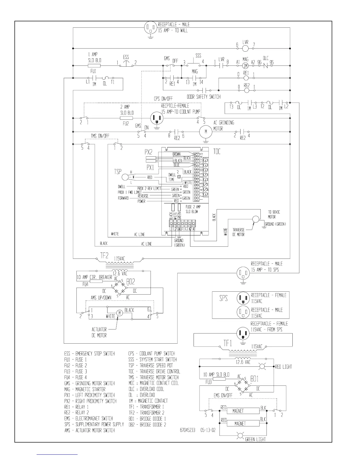
ACCU-Pro 670 - ELECTRIC SCHEMATIC

Default Icon
52 pages
Print Icon
To Next Page IconTo Next Page
To Next Page IconTo Next Page
To Previous Page IconTo Previous Page
To Previous Page IconTo Previous Page
Loading...
36
ELECTRIC SCHEMATIC 67095233