EasyManua.ls Logo

ACCU-Pro 670 - Page 48

Default Icon
52 pages
Print Icon
To Next Page IconTo Next Page
To Next Page IconTo Next Page
To Previous Page IconTo Previous Page
To Previous Page IconTo Previous Page
Loading...
48
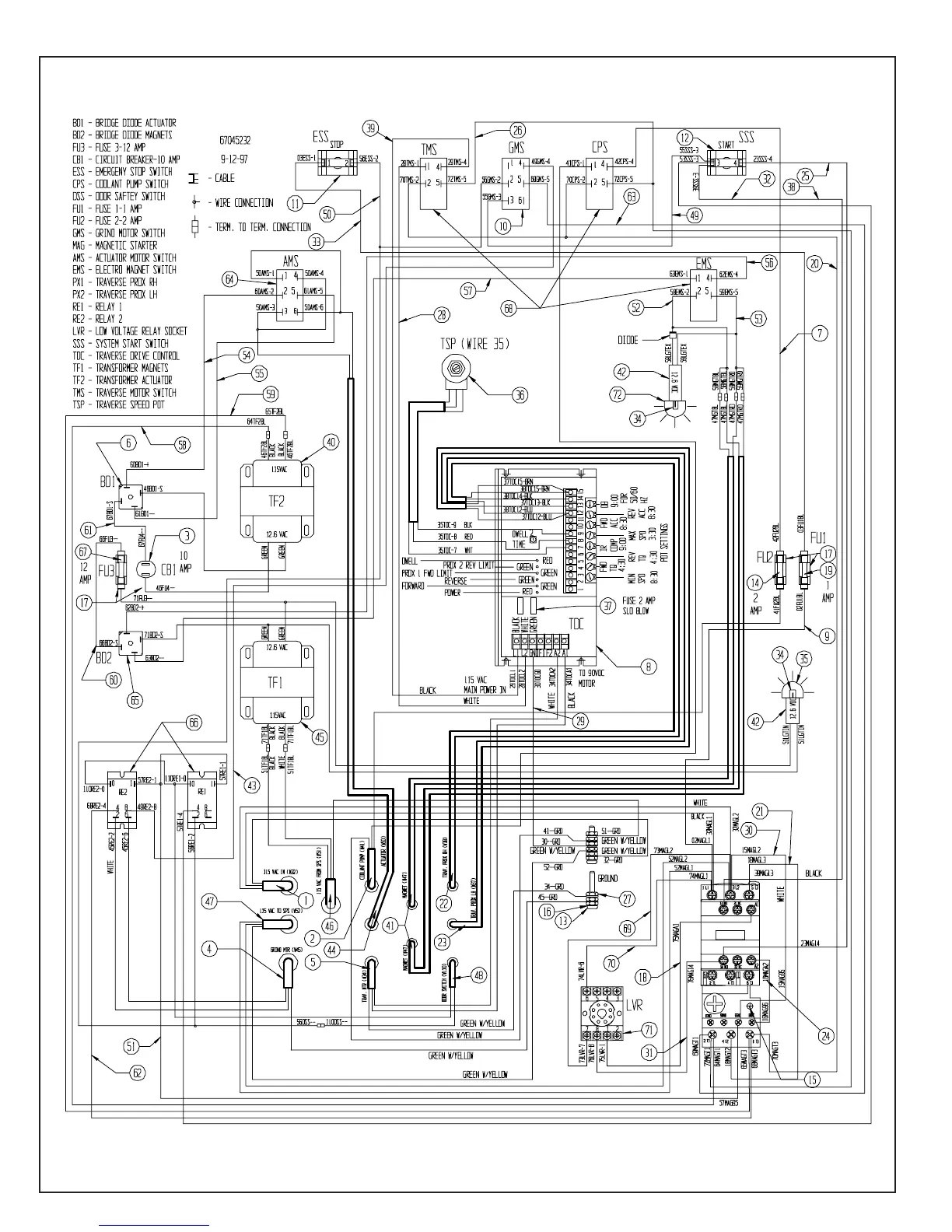
PARTS LIST (Continued) 6709536 ELECTRICAL ASSEMBLY