EasyManua.ls Logo

Acer AL1716

Acer AL1716
50 pages
To Next Page IconTo Next Page
To Next Page IconTo Next Page
To Previous Page IconTo Previous Page
To Previous Page IconTo Previous Page
Loading...
Note (2) Input Rush Current measurement condition
2.8 Back-Light Unit
The back- light system is an edge-lighting type with 2
CCFL. The characteristic of the lamp is shown in the
following tables.
Note (1) Lamp current is measured with current meter
for high frequency as shown below. Specified
valued are for single lamp.
Note (2) Lamp frequency may produce interference
with horizontal synchronous frequency and
this may cause ripple noise on the display.
Therefore lamp frequency shall be kept away
from the horizontal synchronous frequency
and its harmonics as far as possible in order
to avoid interference. *Suggest the inverter
frequency avoid fL=51~59KHz
Note (3) Lamp life time (Hr) can be defined as the time
in which it continues to operate under the
condition: Ta=25 3 oC, typical IL value
indicated in the above table and fL=52kHz
until the brightness becomes less than 50%.
Note (4) CCFL inverter should be able to provide a
voltage over specified value (Vs) in the above
table. Lamp units need at least Vs value
shown above to ignition.
Note (5) The voltage over specified value (Vs) should
be applied to the lamp more than 1 second
after startup. Otherwise, the lamp may not be
turned on. The used lamp current is the lamp
typical current.
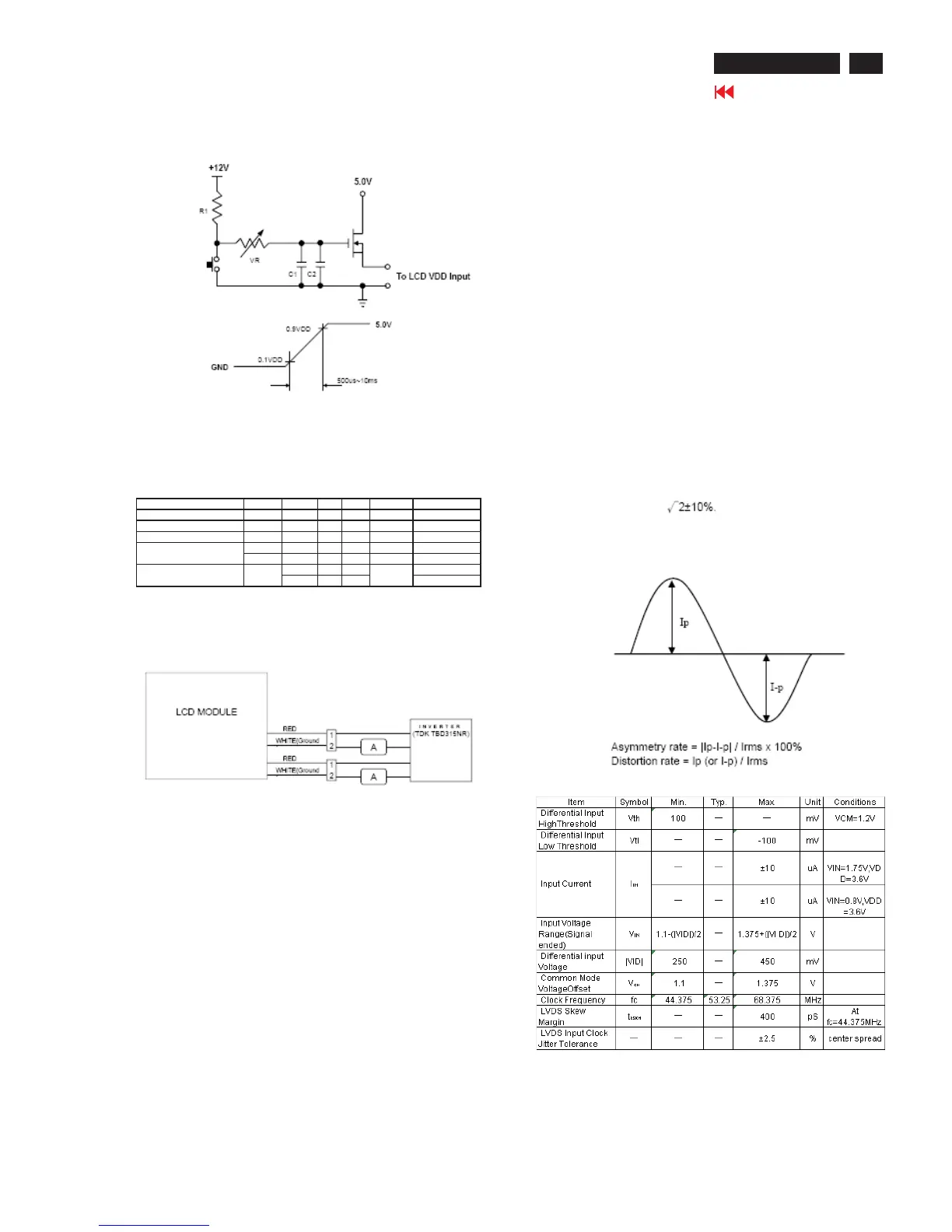
Note (6) The output voltage waveform and current
waveform of the inverter must be symmetrical
(Unsymmetrical ratio is less than 10%).
Please do not use the inverter which has
unsymmetrical voltage and current waveform,
and spike waveform. The inverter design
which can provide the best optical
performance, power efficiency, and lamp life
should under the following conditions.
a. The asymmetry rate of the inverter
waveform should be less than 10%.
b. The distortion tae of the waveform should
be within
c. The inverter output waveform should be
better similar to the ideal sine wave.
2.9 Switching Characteristics for LVDS Receiver
Item Symbol Min. Typ. Max. Unit Note
Lamp current IL 3.0 8.0 9.0 mA(rms) (1)(6)
Lamp voltage VL - 610 - V(rms) (6) IL=8.0mA
Frequency fL 30 - 80 KHz (2)
Hr 30,000 - - Hour (3) IL=8.0mA
Hr 40,000 - - Hour (3) IL=7.5mA
1200 - - (4)(5) at 25oC
1400 - - (4)(5) at 0oC
Startup voltage Vs V(rms)
Operating lamp life time
2. Flat Panel Specification (continued)
11
Go to cover page
ACER AL1716W

Table of Contents

Other manuals for Acer AL1716

Related product manuals