EasyManua.ls Logo

Acer AT1921 - Page 58

Acer AT1921
61 pages
Print Icon
To Next Page IconTo Next Page
To Next Page IconTo Next Page
To Previous Page IconTo Previous Page
To Previous Page IconTo Previous Page
Loading...
5
5
4
4
3
3
2
2
1
1
D D
C C
B B
A A
VO-
VO+
CH+
CH-
MENU
SOURCE
LED_G
LED_R
VO- VO+ CH+ CH- PW_KEY SOURCE MENULED_GLED_R IR
VO-
VO+
MENU
CH+
PW_KEY
SOURCE
CH-
LED_G
LED_R
LED_R
LED_G
SB33B
SB33B
SB33B
DV33A
5VSB
5VSB5VSB 5VSB 5VSB 5VSB 5VSB 5VSB 5VSB 5VSB 5VSB
PW_KEY 4,7
FCLK_GPIO4
ERO1_UP3_14
ADC_IN14
IR4,7
Title
Size Document Number Rev
Date: Sheet
of
<Doc>
C3B
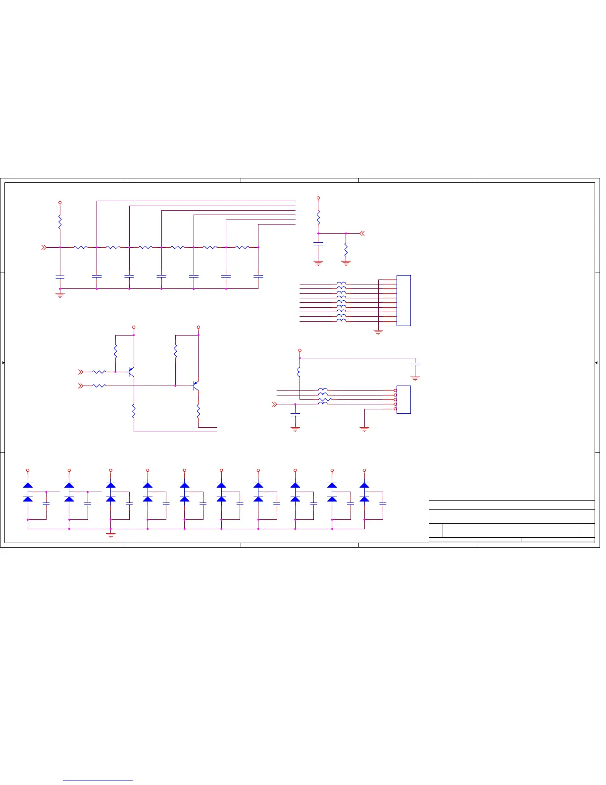
ADC KEYPAD & IR
Custom
14 14Tuesday, May 29, 2007
PROJECT :E9T-PV
MTK ADC 0V~2.8V
2.49V
2.2V
1.59V
1.1V
0.58V
0.22V
CN4
4501-04-05P-R
1
2
3
4
5
L60 Bead_121_4A/8
D54
BAV99L/NC
2
3
1
L67 FB/6
C194
20pF/6
R281
6k/6
L61
Bead_121_4A/8
L74 FB/6
R278
1k/6
D57
BAV99L
2
3
1
R282
9.1k/6
C192
0.1uF/6/NC
L62 Bead_121_4A/8
R275
6.8k/6
C250
NC/10pF
R285
0R/6
L71 FB/6
C193
0.1uF/6/NC
C252
NC/10pF
Q23
2N3906
2
13
C255
NC/10pF
C191
0.1uF/6/NC
R276
10k/6
C187
0.1uF/6/NC
R413 1AFUSE/6
L68 FB/6
R279
2k/6
Q24
2N3906
2
13
D53
BAV99L
2
3
1
D55
BAV99L/NC
2
3
1
D58
BAV99L/NC
2
3
1
R334
10k/6
J1
HEADER 10pin (2mm)
1
2
3
4
5
6
7
8
9
10
C257
NC/10pF
C188
0.1uF/6/NC
C186
20pF/6
CB92
0.1uF/6
R391
47K/6/NC
L72 FB/6
L66 FB/6
R280
3k/6
C234
0.1uF/6
C190
0.1uF/6/NC
C253
NC/10pF
R283
10k/6
D60
BAV99L/NC
2
3
1
R277
510R/6
L69 FB/6
C249
NC/10pF
D56
BAV99L/NC
2
3
1
R289
100R/6
R286
0R/6
C248
NC/10pF
C256
NC/10pF
C251
NC/10pF
L73 FB/6
D52
BAV99L/NC
2
3
1
R288
330R/6
L63 Bead_121_4A/8
D51
BAV99L/NC
2
3
1
D59
BAV99L/NC
2
3
1
L70 FB/6
C254
0.1upF/6

Other manuals for Acer AT1921

Related product manuals