EasyManua.ls Logo

Acer Dynamic 1722S - Page 68

Acer Dynamic 1722S
82 pages
Print Icon
To Next Page IconTo Next Page
To Next Page IconTo Next Page
To Previous Page IconTo Previous Page
To Previous Page IconTo Previous Page
Loading...
68
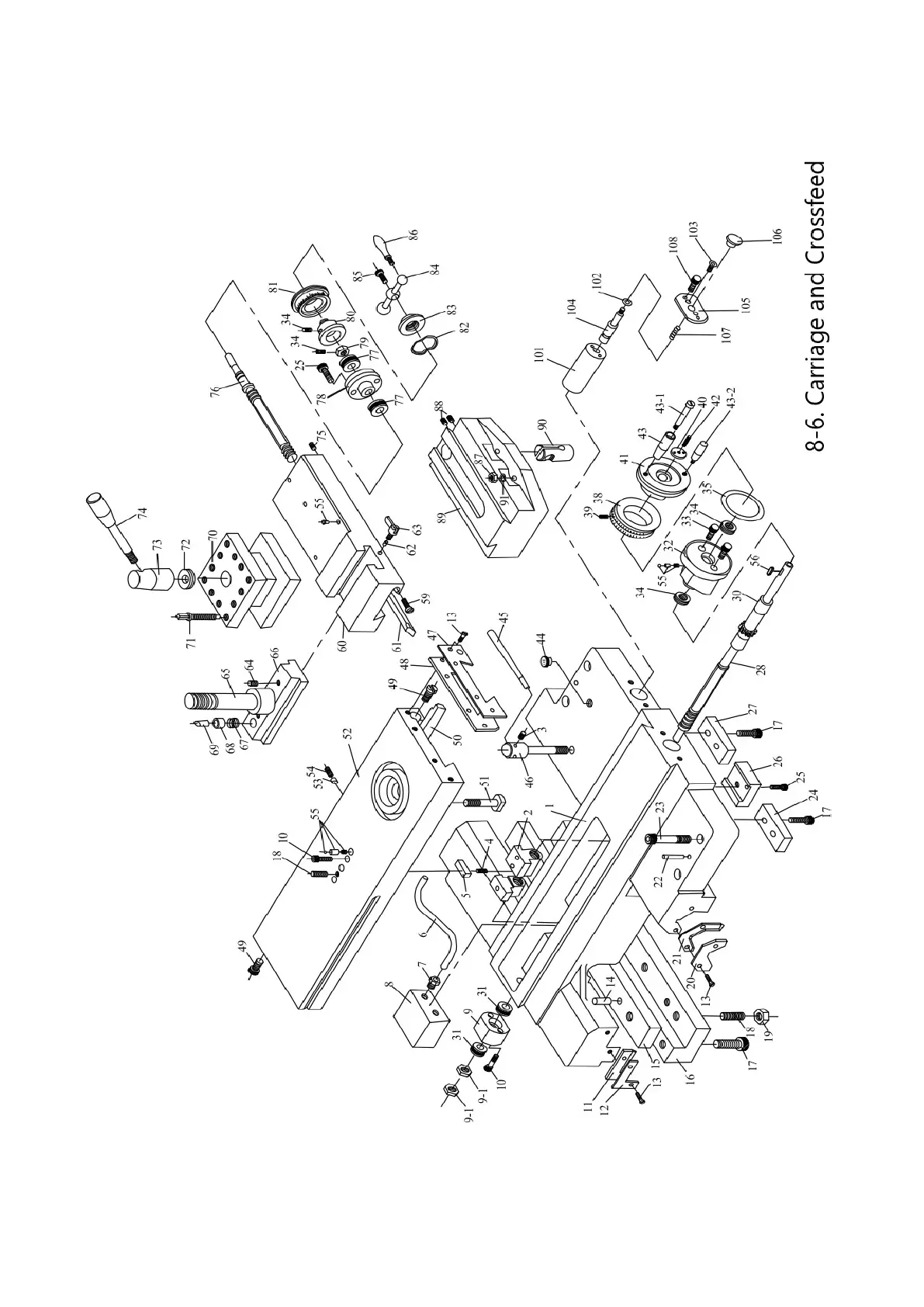
8-6. Carriage and Crossfeed