EasyManua.ls Logo

Acer e-mill 5VK - UL Electric Diagram for 6 VK

Acer e-mill 5VK
203 pages
Print Icon
To Next Page IconTo Next Page
To Next Page IconTo Next Page
To Previous Page IconTo Previous Page
To Previous Page IconTo Previous Page
Loading...
- 65 -
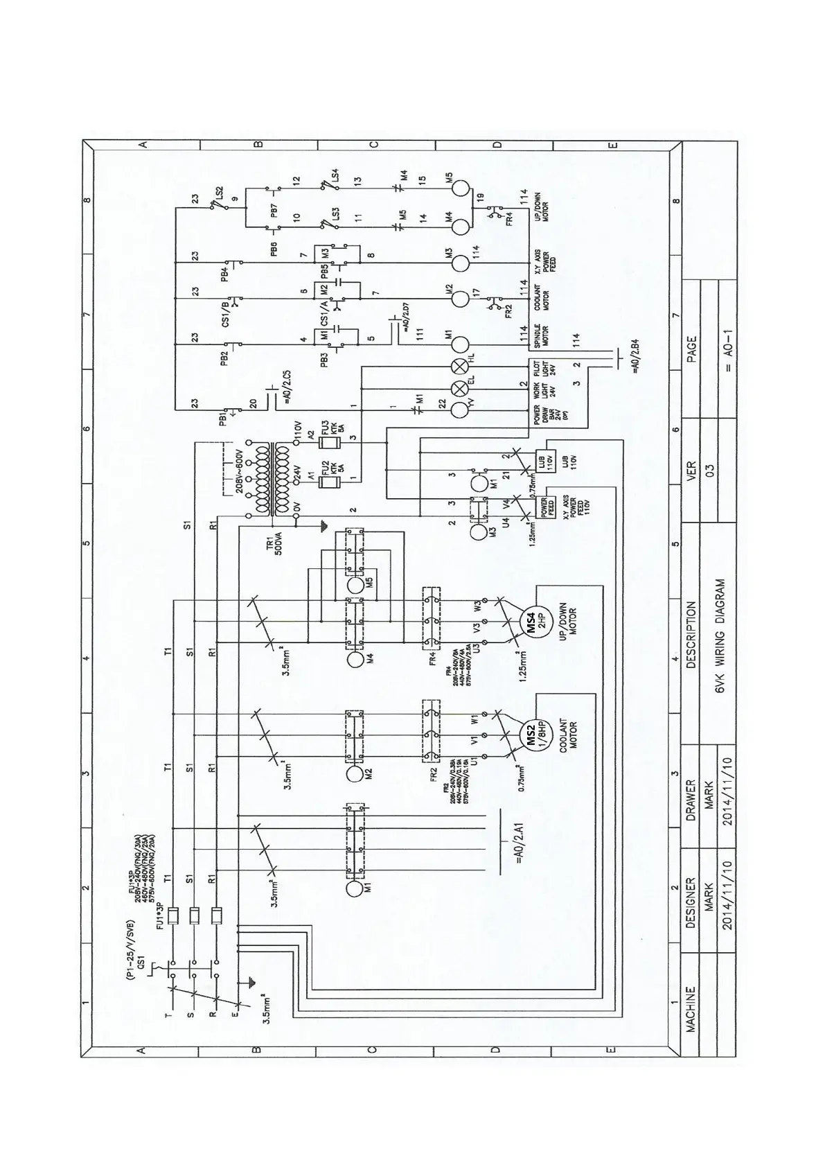
D. UL Electric Diagram for 6VK

Table of Contents