EasyManua.ls Logo

Acoustic Image Stereo Amplifier - Effects Loop; Direct out; Mute Switch

Default Icon
8 pages
Print Icon
To Next Page IconTo Next Page
To Next Page IconTo Next Page
To Previous Page IconTo Previous Page
To Previous Page IconTo Previous Page
Loading...
5
Speaker
Out 2
Power amp
Speaker
Out 1
(internal
connection on
combo amps)
h Freq
Ch1effects
switch
Ch 2
effects
switch
Ch 2
effects
send
Ch 2
effects
return
Ch 1
effects
send
Ch 1
effects
return
Direct
out
Ground
lift
Master
level
I/O buss
e
r
Return
level
Return
level
Effects
level
Effects
Prog switch
HRP DACF
Ch 2
on/off
Mute
Switch
Pre/Post
Switch
Coda R and Corus Control Panel
LevelLevel Bass Mid Master
Direct Out
Level Bass Mid Level
Phantom
Treble
Treble
Channel 1
Channel 2
Send
Return
Send
Return
Effects
Loop
Effects
Loop
Notch Cut
Notch Cut
OnOff
Freq
Freq
Input
Input
Ch 1
Ch 2
Level
Power
Mute
Ch 2
Ground
lift
Post
EQ
OnOff
Off
On
Off On
Phantom
Filter
Filter
30
70
800
30
70
800
Hall
Room
Plate
Delay
Ambient
Chorus
Flange
Effects
6
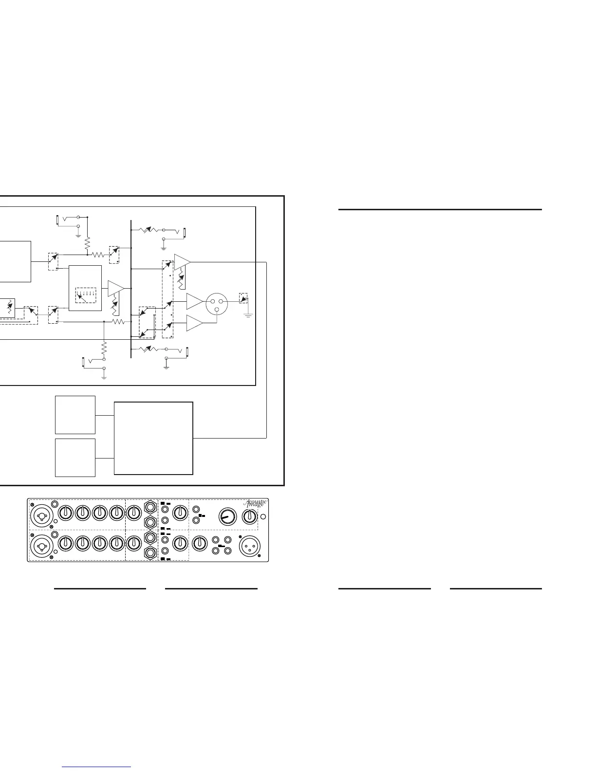
remove a given feedback frequency to reduce feedback “howl”. The low cut
filter is used to reduce the bass output in cases where room location or
instrument/pickup combination results in “boomy” sound. To use either, push
the on/off switch to turn on the filter circuit then select the filter type using the
notch/cut switch. Start with the control fully counterclockwise and gradually
turn it clockwise until the desired effect is achieved. Experiment with the
position of the control to give you the sound you like best.
Acoustic Image preamps have output (“Send”) and input (“Return”) capability
in each channel to allow you to use effects boxes. The send output is affected
by the input volume and tone controls and can also be used as a preamp output
for driving other power amplifiers. The Return input can be used to directly
connect an external preamp to the unit’s power amp. The effects level control in
each channel controls the volume of the returned (“wet”) signal relative to the
original (“dry”) signal. Because the effects loop is a parallel type, plugging
something into the send output does not interrupt the signal path. So, a tuner
can be plugged into the send output without affecting the signal going through
the amp. When the effects loops are not used, the level controls should be set
at zero.
The return input can also be used as an auxiliary input for connecting other line
level signals such as a CD player.
An XLR jack is provided for a Direct Out connection that allows the system’s
output to be fed to mixing boards of house PA systems or recording studios. As
a result, the instrument amplified by the unit can be recorded or further
amplified by the house PA system. In the Coda R and Corus combos, the
Direct Out signal is the combined output of the two channels. A switch is
provided to allow you to select whether the output from the Direct Out jack is
affected by the input level and tone controls (post EQ) or not (pre EQ).
With the switch in the post EQ position, the input level control affects the level of
the Direct Out signal, the master level does not. This allows independent
adjustment of the “stage” volume (the volume coming from the combo amp)
and the “house” volume (the volume in the house PA system) when the unit is
used as a stage monitor. Once the level has been set for the house, if more
volume is needed on stage, the master level can be increased. This will
increase the stage volume but not the volume in the house PA.
A ground lift switch is available to “lift” the ground from the output of the direct
out--reducing noise should a ground loop create hum when the unit is
connected to a mixing board.
A switch is provided to allow you to mute the output of the amplifier without
having to turn the amp off. This will allow you to tune your instrument on stage
without being heard. The amp output and direct out signals are both muted by
the switch.
Effects Loop
Direct Out
Mute Switch

Related product manuals