EasyManua.ls Logo

ACP HDC12A2 - Wiring and Schematic Diagrams; Wiring Diagram

ACP HDC12A2
7 pages
Print Icon
To Next Page IconTo Next Page
To Next Page IconTo Next Page
To Previous Page IconTo Previous Page
To Previous Page IconTo Previous Page
Loading...
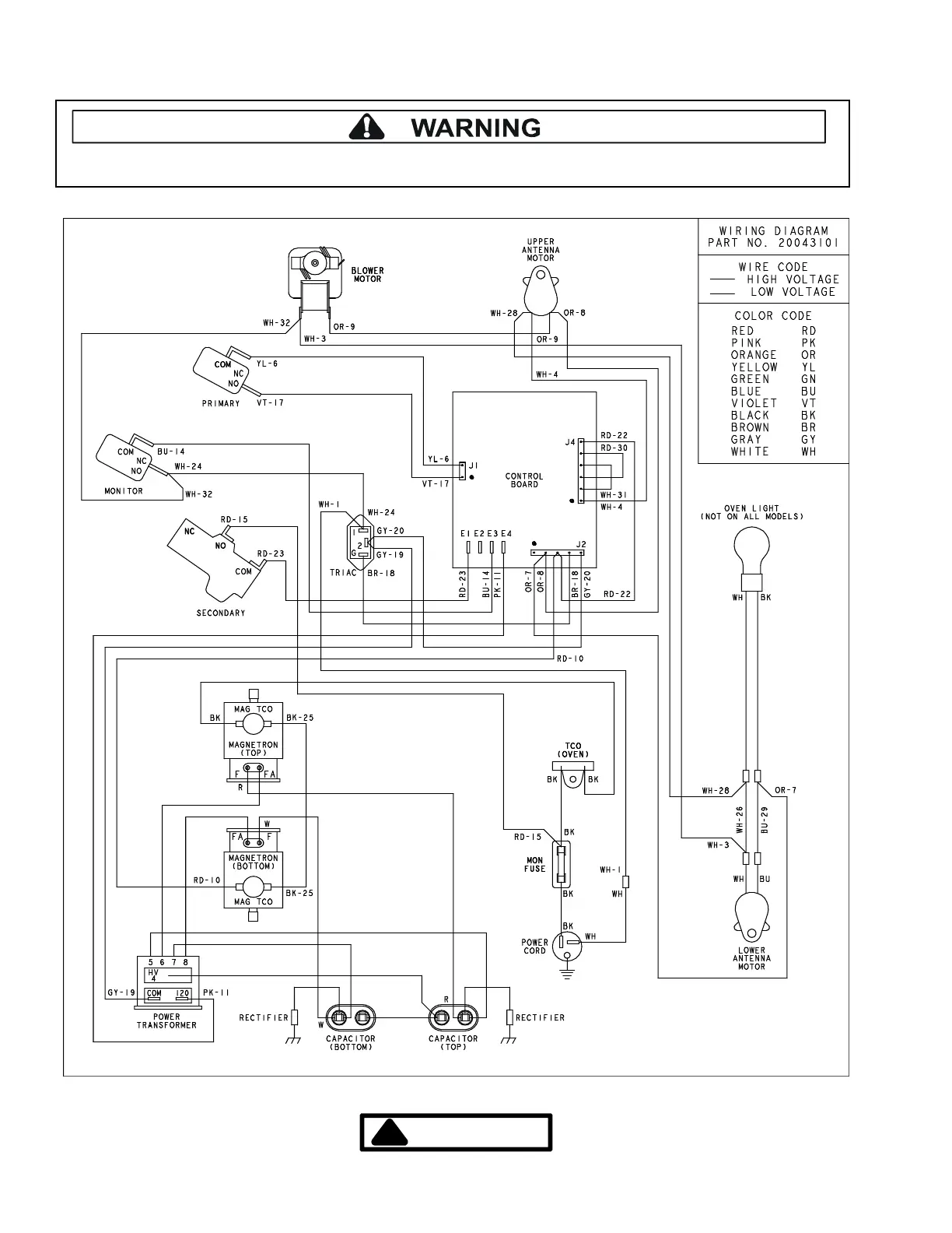
Wiring and Schematic Diagrams
To avoid risk of electrical shock, personal injury, or death, disconnect power to oven and discharge capacitor
before servicing, unless testing requires it.
16500038 July 2012
©2012 ACP, Inc.
6
120043101
DANGER
!
HIGH VOLTAGE