EasyManua.ls Logo

Acson E Series - Wiring Diagram

Acson E Series
46 pages
Print Icon
To Next Page IconTo Next Page
To Next Page IconTo Next Page
To Previous Page IconTo Previous Page
To Previous Page IconTo Previous Page
Loading...
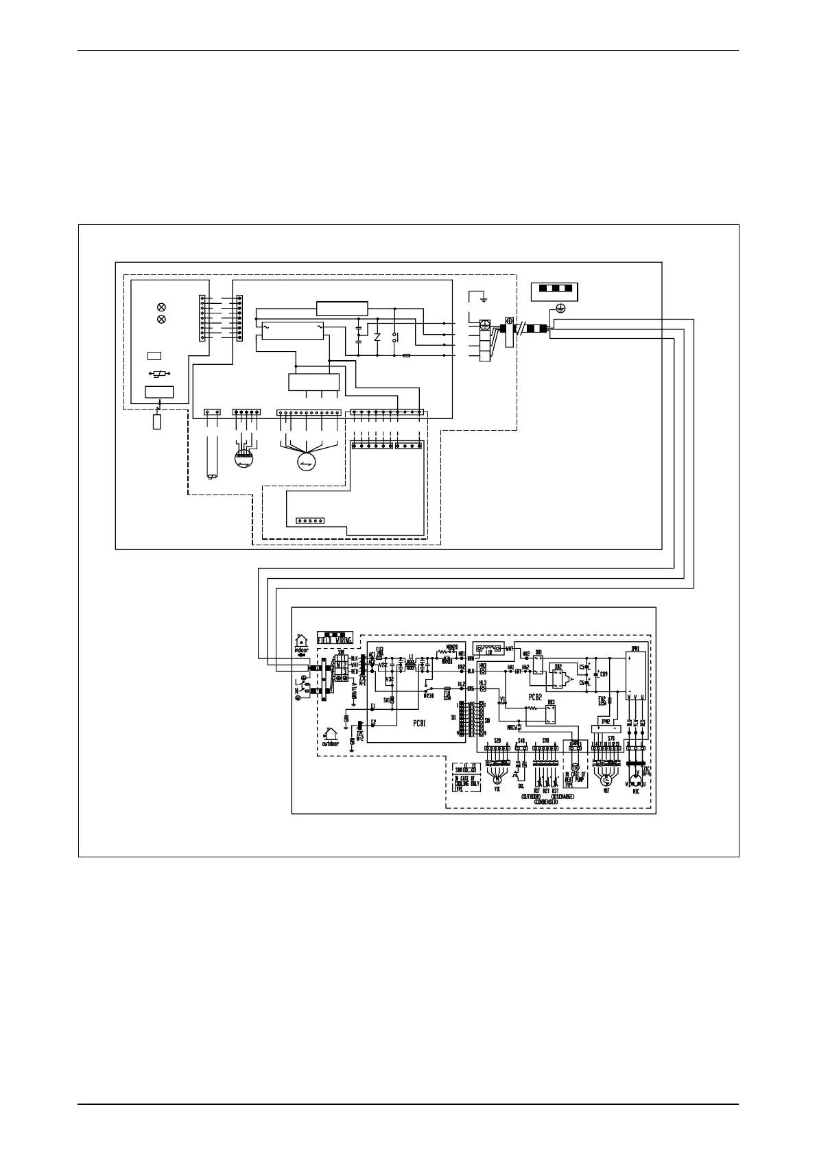
27
Wiring Diagram A5LCY-E-2010
Wiring Diagram
Heat Pump
Outdoor Unit Indoor Unit
Model: A5LCY 10/15ER Model: A5WMY 10/15KR
70034106463
2
BLK
9
S200
WIRELESS
REMOTE
CONTROLLER
BLK
BLK
M1F
t
°
-
YLW
1
MR10
9
BLK
BLK
6
1
9
BLK
1
S601
PCB 2
RED
BLK
BLK
S602
5
BLK
1
1
BLK
RECTIFIER
BLK
BLK
-
S27
BLK
X1M
SIGNAL
RECEIVER
1
1
M1S
IPM200
GRN/YLW
+
S32
BLK
R1T
2
1
3
S26
BLK
FG
BLK
+
TRANSMISSION
CIRCUIT
BLK
LED2 H2P
H3
LED1 H1P
RED
WHT
S403
OPTION
B
L
U
BLK
S6
BLK
H2
BLK
R2T
BLK
S1W
ORG
H1
M
S21
PCB 1
FIELD WIRING.
10
F1U
3.15A
GRN
Indoor
Outdoor
PCB 3
BLK
BLK
t
°
BLK
6
V1
BLK
4
1
BLK
12
WHT
M

Related product manuals