EasyManua.ls Logo

ACT 600 – 5000 - Electric Diagrams

ACT 600 – 5000
68 pages
Print Icon
To Next Page IconTo Next Page
To Next Page IconTo Next Page
To Previous Page IconTo Previous Page
To Previous Page IconTo Previous Page
Loading...
Attachments
ACT 600 – 5000 53 – EN
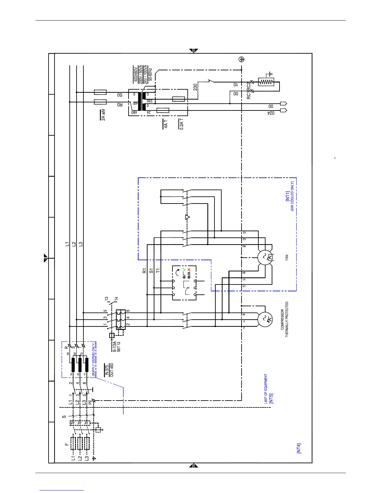
9.3 Electric diagrams
9.3.1 ACT 600 – 1250 Sheet 1 of 3
0
1
3
2
4
5
6
7
8
9
[
2
-
6
]
K
C
1
[
2
-
1
]
2
1
4
6
3
5
Q
1
[
2
-
3
]
2
4
6
K
V
2
1
5
3
W
M
C
1
M
3
U
V
R
P
P
[
2
-
6
]
F
U
S
E
M
A
X
1
6
A
3
/
4
6
0
V
/
6
0
H
z
+
P
E
(
*
)
R
C
D
I
d
0
.
0
3
A
s
u
g
g
e
s
t
e
d
S
m
i
n
2
.
5
s
q
m
m
/
1
4
A
W
G
R
e
v
.
N
o
t
e
:
S
h
e
e
t
0
1
o
f
D
r
a
w
i
n
g
n
o
.
:
0
3
0
1
F
U
4
A
T
F
F
U
1
-
2
F
U
3
B
R
C
[
2
-
7
]
3
M
V
1
T
K
M
[
2
-
1
]
K
C
1
1
1
1
2
T
K
W
1
U
1
V
1
W
2
U
2
V
2
[
2
-
2
]
2
6
4
K
V
1
1
3
5
(
*
)
S
e
e
d
r
y
e
r
n
a
m
e
p
l
a
t
e
O
R
3
/
5
7
5
V
/
6
0
H
z
+
P
E
(
*
)
(
1
)
F
R
A
C
T
-
Q
5
4
7
8
Q
C
D
0
0
1
L
1
L
2
L
3
1
1
1
4
1
2
T
e
c
h
n
i
c
a
l
m
o
d
i
f
i
c
a
t
i
o
n
s
a
r
e
s
u
b
j
e
c
t
t
o
c
h
a
n
g
e
w
i
t
h
o
u
t
n
o
t
i
c
e
;
e
r
r
o
r
s
n
o
t
e
x
c
l
u
d
e
d
.
Q
S
T
R
(
1
)
W
i
t
h
A
u
t
o
-
T
r
a
n
s
f
o
r
m
e
r
T
R
i
n
s
t
a
l
l
e
d

Table of Contents