EasyManua.ls Logo

ACT 600 – 5000 - Page 61

ACT 600 – 5000
68 pages
Print Icon
To Next Page IconTo Next Page
To Next Page IconTo Next Page
To Previous Page IconTo Previous Page
To Previous Page IconTo Previous Page
Loading...
Attachments
ACT 600 – 5000 61 – EN
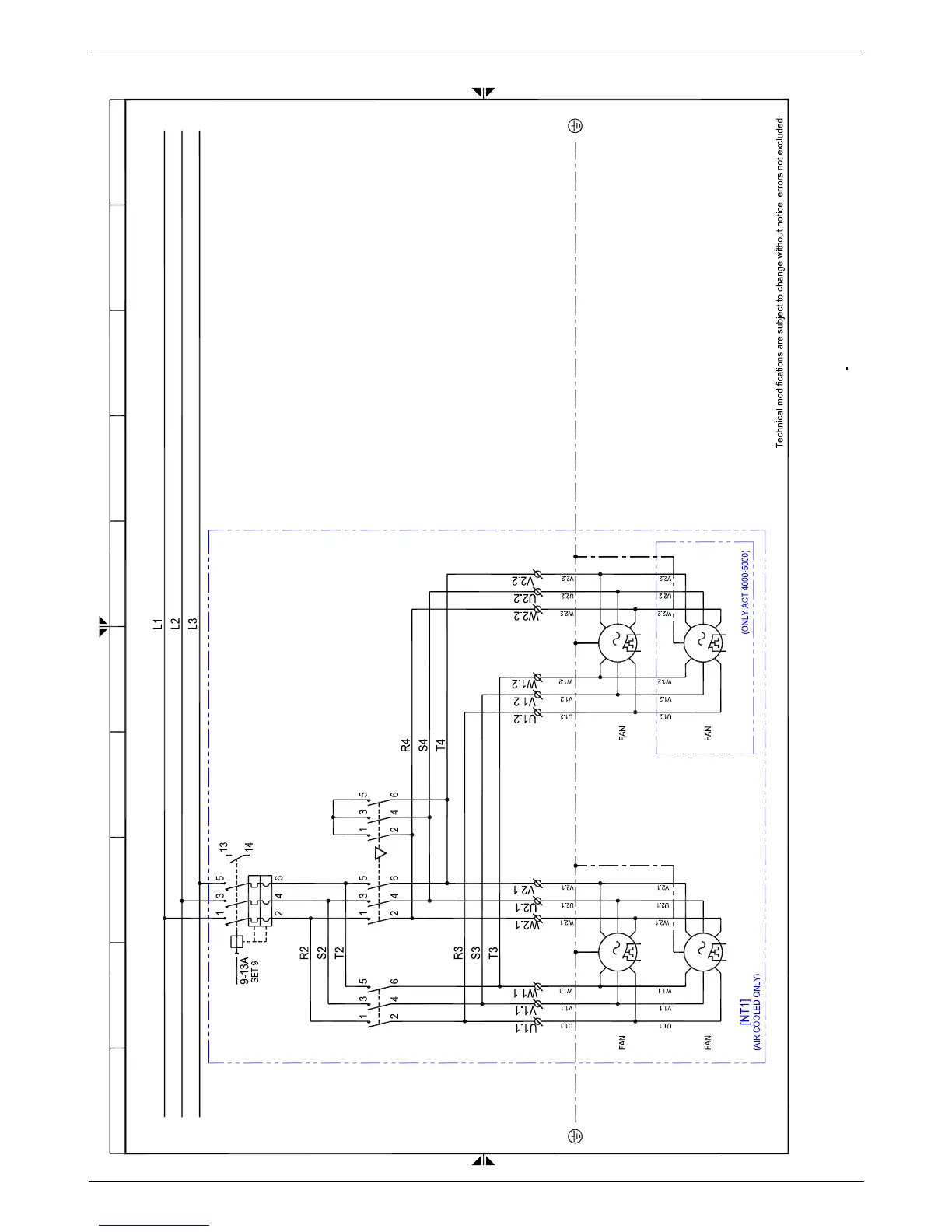
9.3.9 ACT 3000 – 5000 Sheet 2 of 6
0
1
3
24
5
6
789
Rev.
Note :
Sheet
02
of
Drawing no. :
06
00
[3-7]
QV1
FRACT-UQ5478QCD003
[3-3]
KV2 KV1
[3-2]
KV0
[3-1]
MV2
MV1
[3-7]
[3-7]
M
V1
3
U1
TK
W1
TK
M
U1
V1
TK
3
W1
W2
TK
U2
V2
[3-8]
MV4
3
V1
M
[3-8]
TK
U1
TK
W1
MV3
M
U1
TK
V1
3
TK
W1
[1-9]
W2
U2
V2
W2
U2
V2
U2
W2
V2

Table of Contents