EasyManua.ls Logo

Ada T100S - Accessories

Ada T100S
6 pages
Print Icon
To Next Page IconTo Next Page
To Next Page IconTo Next Page
To Previous Page IconTo Previous Page
To Previous Page IconTo Previous Page
Loading...
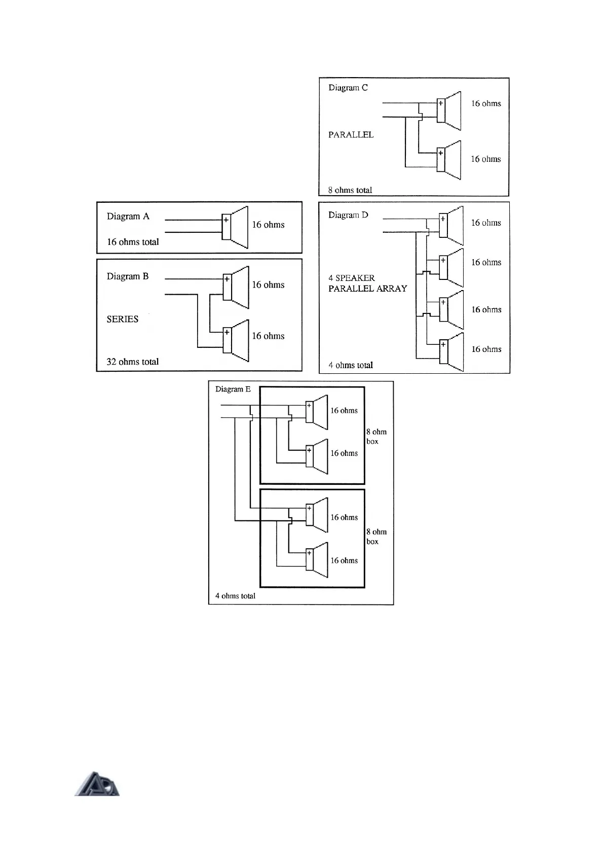
ADA T100S owner’s manual
ACCESSORIES
For price and ordering information contact your local Authorized ADA Dealer.
Tail mount kit: secures rear panel of amplifier to rack mount rails. ADA part #
800310
6CA7 power tube matched set: replacement tube set for one channel. ADA part #
800302
12AT7 driver tube matched set: replacement input driver tube set for two
channels. ADA part # 800301
Page: 5 of 6

Related product manuals