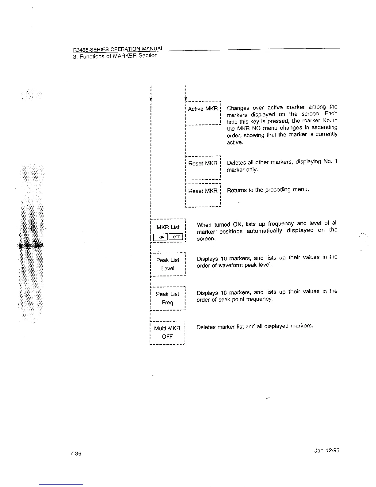
EasyManua.ls Logo

ADVANTEST R3465 Series - Page 174

Default Icon
496 pages
Print Icon
To Next Page IconTo Next Page
To Next Page IconTo Next Page
To Previous Page IconTo Previous Page
To Previous Page IconTo Previous Page
Loading...

Related product manuals