EasyManua.ls Logo

AERMEC FCWI 333V - Fcwi

AERMEC FCWI 333V
Print Icon
To Next Page IconTo Next Page
To Next Page IconTo Next Page
To Previous Page IconTo Previous Page
To Previous Page IconTo Previous Page
Loading...
101
Gli schemi elettrici sono soggetti ad un continuo aggiornamento, è obbligatorio quindi fare riferimento a quelli a bordo macchina.
All wiring diagrams are constantly updated. Please refer to the ones supplied with the unit.
Nos schémas électriques étant constamment mis à jour, il faut absolument se référer à ceux fournis à bord de nos appareils.
Die Schaltpläne werden ständig aktualisiert, deswegen muss man sich stets auf das mit dem Gerät gelieferte Schaltschema beziehen.
El cableado de las máquinas es sometido a actualizaciones constantes. Por favor, para cada unidad hagan referencia a los esquemas suministrados con la misma.
SCHEMI ELETTRICI • WIRING DIAGRAMS • SCHEMAS ELECTRIQUES • SCHALTPLÄNE • ESQUEMAS ELÉCTRICOS
FCWI 233V - FCWI 333V - FCWI 433V - FCWI 533V
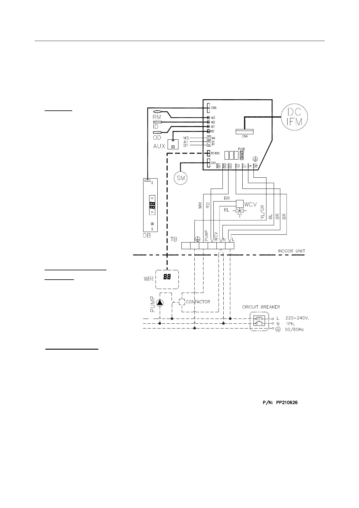
WIRING DIAGRAM
NOTES
WIRING SHOWN IN HIDDEN LINE MUST BE FITTED BY THE INSTALLER.
THE UNIT SHALL BE INSTALLED ACCORDING TO NATIONAL WIRING REGULATIONS.
:
:
1
2
MODEL : FCWI233V, FCWI333V,FCWI433V
:
BR
GR
:
BL
:
:
RD
WH
BROWN
GREEN
BLUE
WHITE
RED
:
WIRE COLOURSWIRE COLOURS
TERMINAL BLOCK TERMINAL BLOCK
LEGEND
:
DISPLAY BOARDDB
WIRED CONTROL
TERMINAL BLOCK
INDOOR COIL
DIRECT CURENT
STEP MOTOR
ROOM SENSOR
WIR
:
TB
:
SM :
DCFM
RM
:
:
ID :
AUXILIARY SWITCHAUX. :
:
:
:
:
4
2
3
EARTH/GROUND
WATER CONTROL VALVE
PUMP CONNECTION
CONTROL CONNECTION
SENSOR
CONNECTION
LEGENDLEGEND
WATER CONTROL WCV
VALVE
CONTROLLER
(OPTIONAL)
:
FAN MOTOR
YL YELLOW
::
:
5
:
6
LIVE CONNECTION
NEUTRAL CONNECTION
& FCWI533V
43
21
5 6
MICRO SWITCHMS
:
OUTDOOR COIL OD
:
SENSOR
NETWORK COMMUNICATION
A1 & B1 :
PORT
NOTES
WIRING SHOWN IN HIDDEN LINE MUST BE FITTED BY THE INSTALLER.
THE UNIT SHALL BE INSTALLED ACCORDING TO NATIONAL WIRING REGULATIONS.:
:
1
2
:
BR
GR
:
BL
:
:
RD
WH
BROWN
GREEN
BLUE
WHITE
RED
:
WIRE COLOURSWIRE COLOURS
TERMINAL BLOCK TERMINAL BLOCK
LEGEND
:
DISPLAY BOARDDB
WIRED CONTROL
TERMINAL BLOCK
INDOOR COIL
DIRECT CURENT
STEP MOTOR
ROOM SENSOR
WIR
:TB
:
SM
:
DCFM
RM
:
:
ID
:
AUXILIARY SWITCH
AUX. :
:
:
:
:
4
2
3
EARTH/GROUND
WATER CO
NTROL VALVE
PUMP CONNECTION
CONTROL CONNECTION
CONNECTION
LEGENDLEGEND
WATER CONTROL WCV
VALVE
CONTROLLER
(OPTIONAL)
:
FAN MOTOR
YL
YELLOW
::
:
5
:
6
LIVE CONNECTION
NEUTRAL CONNECTION
MODEL : FCWI232V, FCWI332V,FCWI432V
& FCWI532V
43
21
5 6
SENSOR
MICRO SWITCHMS
:
NETWORK COMMUNICATIONA1 & B1
:
PORT
NOTES
WIRING SHOWN IN HIDDEN LINE MUST BE FITTED BY THE INSTALLER.
THE UNIT SHALL BE INSTALLED ACCORDING TO NATIONAL WIRING REGULATIONS.:
:
1
2
:
B
R
GR
:
BL
:
:
RD
WH
BROWN
GREEN
BLUE
WHITE
RED
:
WIRE COLOURSWIRE COLOURS
TERMINAL BLOCK TERMINAL BLOCK
LEGEND
:
DISPLAY BOARDDB
WIRED CONTROL
TERMINAL BLOCK
INDOOR COIL
DIRECT CURENT
STEP MOTOR
ROOM SENSOR
WIR
:TB
:
SM
:
DCFM
RM :
:
ID :
AUXILIARY SWITCHAUX.
:
:
:
:
:
4
2
3
EARTH/GROUND
WATER CONTROL VALVE
PUMP CONNECTION
CONTROL CONNECTION
SENSOR
CONNECTION
LEGENDLEGEND
WATER CONTROL
WCV
VALVE
CONTROLLER
(OPTIONAL)
:
FAN MOTOR
YL YELLOW
::
:
5
:
6
LIVE CONNECTION
N
EUTRAL CONNECTION
MODEL : FCWI23VL, FCWI33VL, FCWI43VL
& FCWI53VL
43
21
5 6
MICRO SWITCHMS :
NETWORK COMMUNICATIONA1 & B1
:
PORT

Table of Contents

Related product manuals