EasyManua.ls Logo

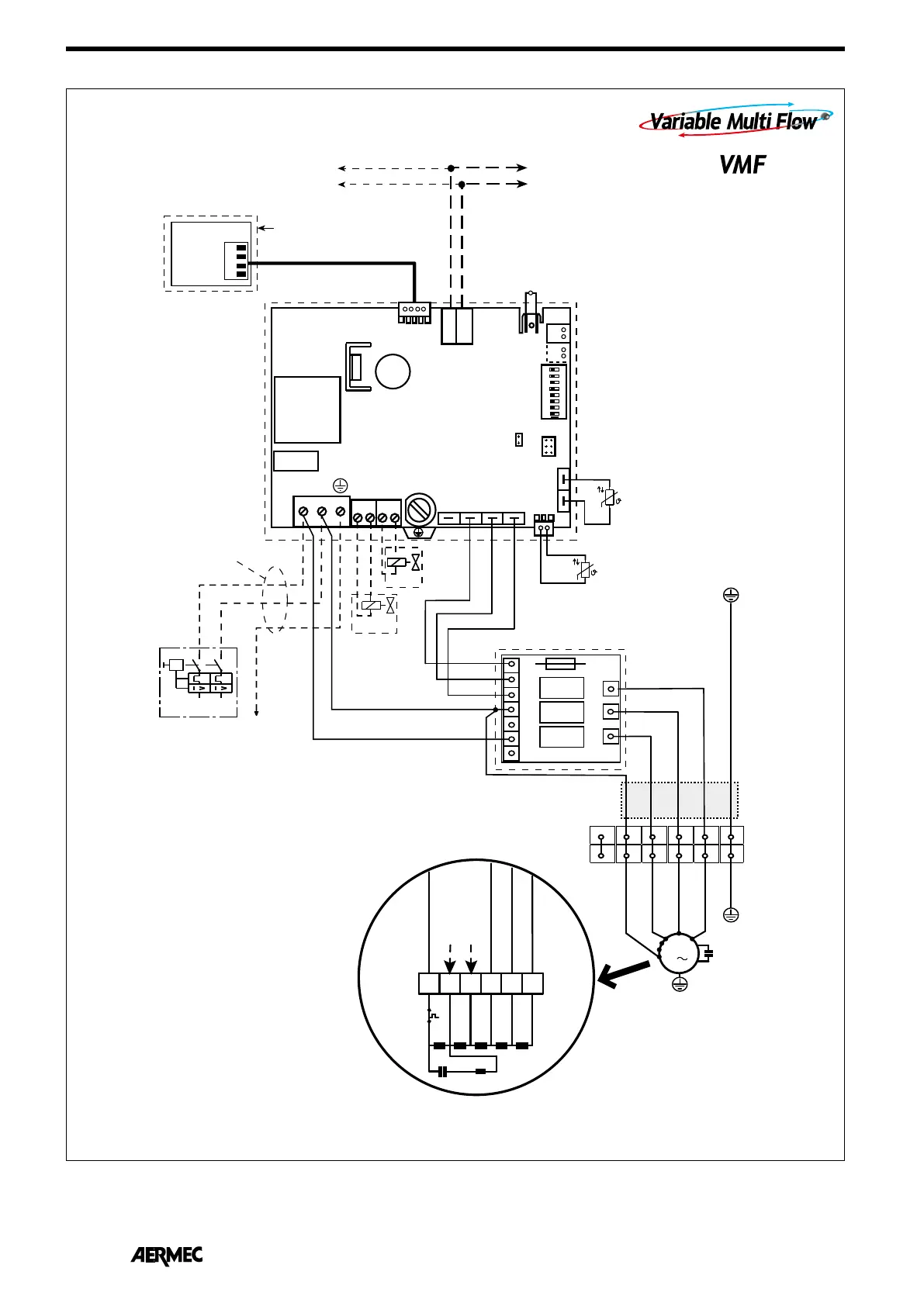
AERMEC VED 541 - VMF System Wiring Diagram (VED with VMF-E0;E4;SIT3)

AERMEC VED 541
80 pages
Print Icon
To Next Page IconTo Next Page
To Next Page IconTo Next Page
To Previous Page IconTo Previous Page
To Previous Page IconTo Previous Page
Loading...
50
IVEDPS 1110 - 4879040_01
Gli schemi elettrici sono soggetti ad un continuo aggiornamento, è obbligatorio quindi fare riferimento a quelli a bordo macchina.
All wiring diagrams are constantly updated. Please refer to the ones supplied with the unit.
Nos schémas électriques étant constamment mis à jour, il faut absolument se référer à ceux fournis à bord de nos appareils.
Die Schaltpläne werden ständig aktualisiert, deswegen muss man sich stets auf das mit dem Gerät gelieferte Schaltschema beziehen.
El cableado de las máquinas es sometido a actualizaciones constantes. Por favor, para cada unidad hagan referencia a los esquemas suministrados con la misma.
SCHEMI ELETTRICI • WIRING DIAGRAMS • SCHEMAS ELECTRIQUES • SCHALTPLÄNE • ESQUEMAS ELÉCTRICOS
10k
SA
4
3
2
1
Only master
CN11
SA
1
E0/1 Slave 1
÷
5
TTL
SW
(---------------------------------------30 m MAX-----------------------------------)
E0/1 Master
VC
E4
BL
GR MA AR
V1
V2
V3
V1
V2
V3
L
N
N
PH
VMF-SIT3
F
2A
INPUT
OUTPUT
MIN
MED
MAX
10k
VH
BL
GR
MA
AR
RO
+
E0
CN9
JP1
CN11
PF2
C1
T1
C7
CN1
CN7-B CN7-A
CN10-B CN10-A
CN17
CN27
1-TX-RX
2- GND
SW
SA
N V3 V2 V1
L N
Y2
N
Y1
N
ON
1 2 3 4 5 6 7 8
DIP
1
1
CE
1
(SP)
1
CN8
230V 50Hz
PE
L
N
IG
VMF-SIT3
VMF-E0
VMF-E4
GV
VED
M
1
MV
BL NE MA RO
MIN
MED
MAX
5
5
1 4
4
3
3
2
2
6
6
1
M
1mm
2
MV
M
BL
BL
COM - BL
L
NE
1
MA
VI
MAX - NE
2
GR
MED - MA
3
MA
MIN - RO
4
RO
5
C
MIN
VED
VMF-E0
VMF-E4
VMF-SIT3

Other manuals for AERMEC VED 541

Related product manuals