EasyManua.ls Logo

AERMEC VED 740 - Page 73

AERMEC VED 740
80 pages
Print Icon
To Next Page IconTo Next Page
To Next Page IconTo Next Page
To Previous Page IconTo Previous Page
To Previous Page IconTo Previous Page
Loading...
59
IVEDPS 1110 - 4879040_01
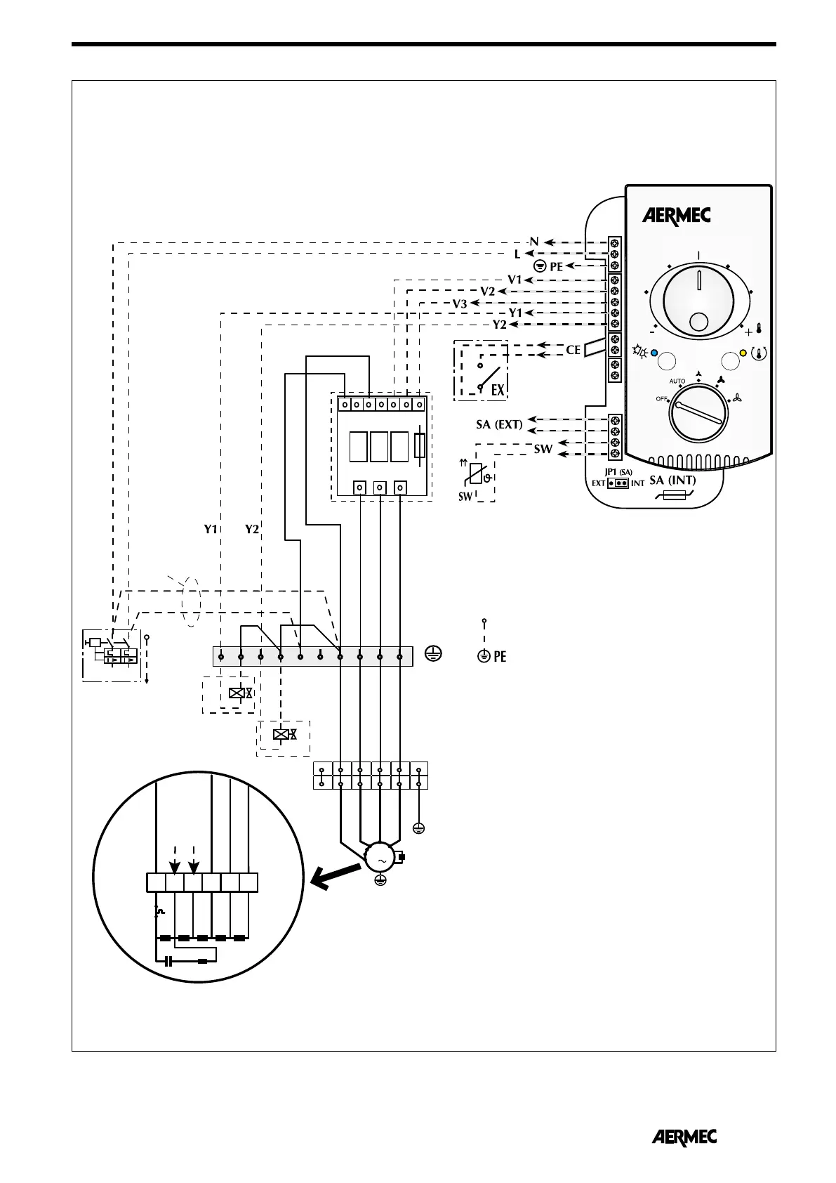
Gli schemi elettrici sono soggetti ad un continuo aggiornamento, è obbligatorio quindi fare riferimento a quelli a bordo macchina.
All wiring diagrams are constantly updated. Please refer to the ones supplied with the unit.
Nos schémas électriques étant constamment mis à jour, il faut absolument se référer à ceux fournis à bord de nos appareils.
Die Schaltpläne werden ständig aktualisiert, deswegen muss man sich stets auf das mit dem Gerät gelieferte Schaltschema beziehen.
El cableado de las máquinas es sometido a actualizaciones constantes. Por favor, para cada unidad hagan referencia a los esquemas suministrados con la misma.
SCHEMI ELETTRICI • WIRING DIAGRAMS • SCHEMAS ELECTRIQUES • SCHALTPLÄNE • ESQUEMAS ELÉCTRICOS
BL
L
N
L N
N
L
VED
1 2 5 6 7 8 9 103 4
BL NE MA RO
M
M
1
MV
BL NE MA RO
MIN
MED
MAX
5
5
1 4
4
3
3
2
2
6
6
1
MV
M
BL
BL
COM - BL
L
NE
1
MA
VI
MAX - NE
2
GR
MED - MA
3
MA
MIN - RO
4
RO
5
C
MIN
230V 50Hz
PE
L
N
IG
NE ROMA
1mm
2
VH
VC
V1
V2
V3
V1 V2 V3L N
N
PH
SIT3
F
2A
INPUT
OUTPUT
SIT3
V1V2V3
VED
PXAE
SIT3

Other manuals for AERMEC VED 740

Related product manuals