EasyManua.ls Logo

AERMEC VED - Page 124

AERMEC VED
194 pages
Print Icon
To Next Page IconTo Next Page
To Next Page IconTo Next Page
To Previous Page IconTo Previous Page
To Previous Page IconTo Previous Page
Loading...
67
IVEDPY 2005 - 4879010_04
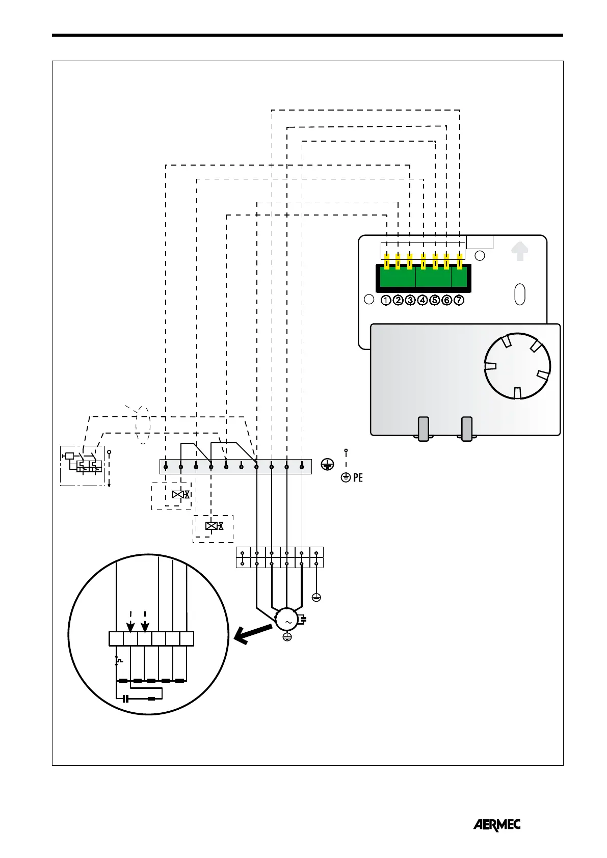
Gli schemi elettrici sono soggetti ad un continuo aggiornamento, è obbligatorio quindi fare riferimento a quelli a bordo macchina.
All wiring diagrams are constantly updated. Please refer to the ones supplied with the unit.
Nos schémas électriques étant constamment mis à jour, il faut absolument se référer à ceux fournis à bord de nos appareils.
Die Schaltpläne werden ständig aktualisiert, deswegen muss man sich stets auf das mit dem Gerät gelieferte Schaltschema beziehen.
El cableado de las máquinas es sometido a actualizaciones constantes. Por favor, para cada unidad hagan referencia a los esquemas suministrados con la misma.
SCHEMI ELETTRICI • WIRING DIAGRAMS • SCHEMAS ELECTRIQUES • SCHALTPLÄNE • ESQUEMAS ELÉCTRICOS
L
N
L N
N
L
VED
1 2 5 6 7 8 9 103 4
BL NE MA RO
M
M
1
MV
BL NE MA RO
MIN
MED
MAX
5
5
1 4
4
3
3
2
2
6
6
1
MV
M
BL
BL
COM - BL
L
NE
1
MA
VI
MAX - NE
2
GR
MED - MA
3
MA
MIN - RO
4
RO
5
C
MIN
230V 50Hz
PE
L
N
IG
1mm
2
VH
VC
V1V2V3
L1
HIGH
MED
LOW
HEAT
COOL
L2 - N
WMT10
VED 430
VED 440
VED 530
VED 540
VED 432
VED 441
VED 532
VED 541
VED 4 - 5
WMT10

Related product manuals