EasyManua.ls Logo

AFRISO WMS-WP6 - 5.3.2 Product without locking

AFRISO WMS-WP6
25 pages
Print Icon
To Next Page IconTo Next Page
To Next Page IconTo Next Page
To Previous Page IconTo Previous Page
To Previous Page IconTo Previous Page
Loading...
17
Mounting
EN
WMS-WP6
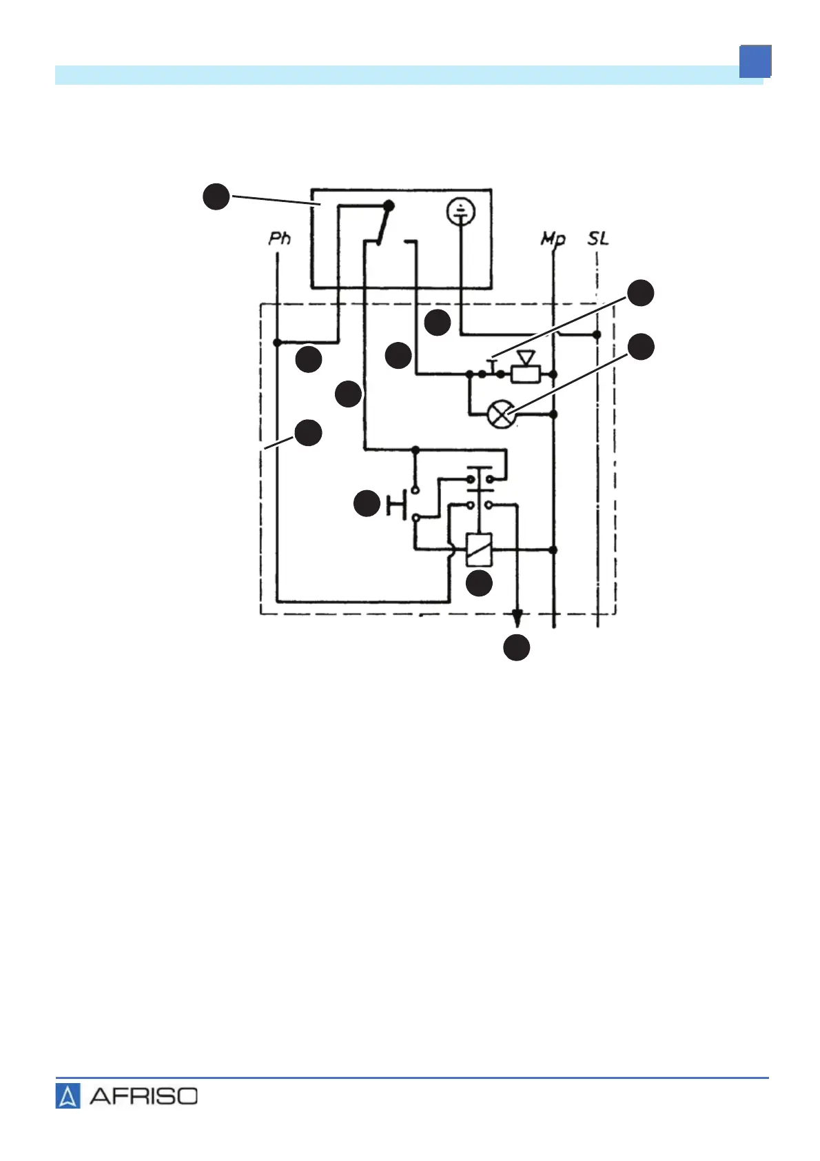
5.3.2 Product without locking
1. Connect the locking unit provided on site according to the figure.
A. Product without locking
B.
On/off
C. Problem
D. Burner
E. Burner contactor
F. Unlocking
G. Locking to be provided by cus-
tomer
H. Brown
I. Black
J. Blue
K. Green yellow, protective eart
h
con
ductor
J
K
F
H
B
E
G
A
I
C
D