EasyManua.ls Logo

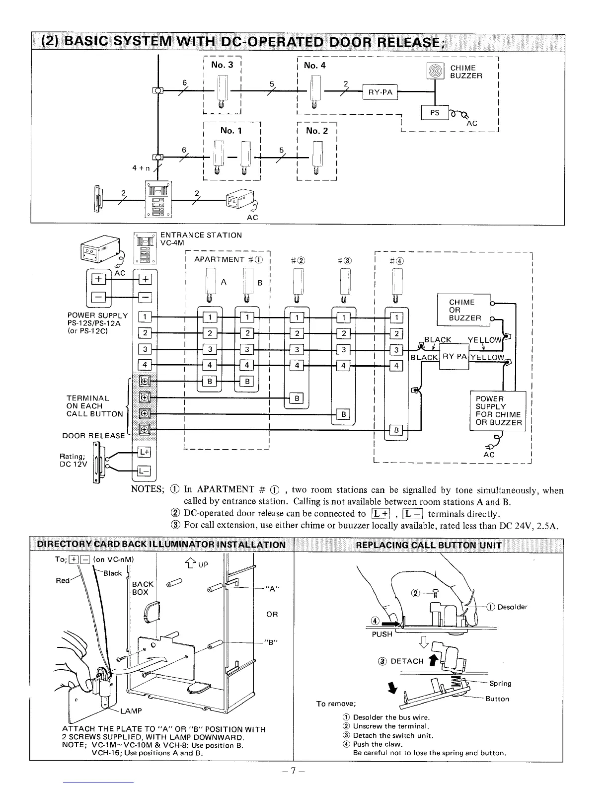
Aiphone VC-10M - Basic System with DC-Operated Door Release; Directory Card Back Illuminator Installation; Replacing Call Button Unit

Aiphone VC-10M
8 pages
Print Icon
To Next Page IconTo Next Page
To Next Page IconTo Next Page
To Previous Page IconTo Previous Page
To Previous Page IconTo Previous Page
Loading...

Related product manuals