EasyManua.ls Logo

Airstream Interstate 24X - Solar Panel Wiring

Airstream Interstate 24X
116 pages
Print Icon
To Next Page IconTo Next Page
To Next Page IconTo Next Page
To Previous Page IconTo Previous Page
To Previous Page IconTo Previous Page
Loading...
Maintenance
9-26 2022 Interstate 24X
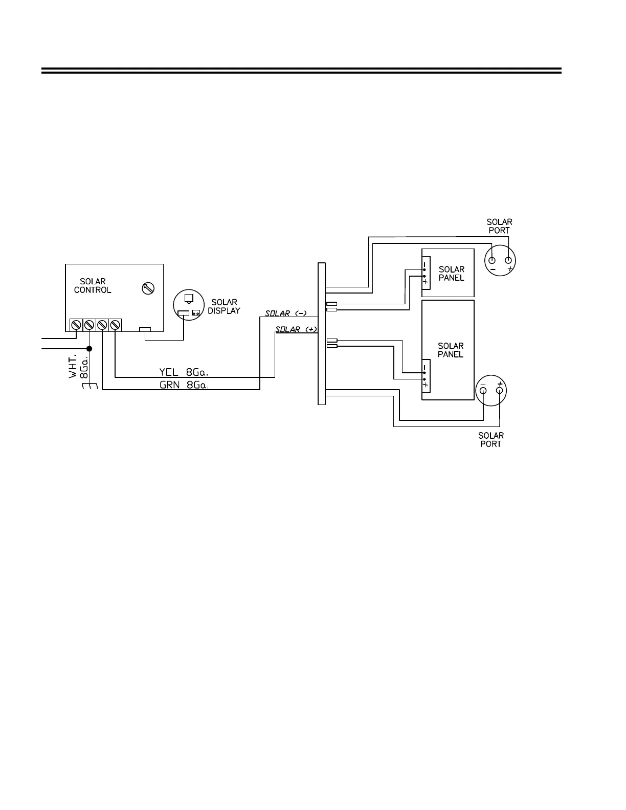
Solar Panel Wiring
A manual on the use of the solar system is included with the Airstream Owner’s Packet� Please read and
understand all information before operating the system�
The charge controller senses the actual battery charge and regulates the charging to prevent over charging� The
system requires the 12-volt feed from the battery to operate�
The following diagram depicts the way Airstream wires the solar systems and is the recommended wiring for
replacement solar systems�
*
7
*
5
*
3
*
1
BATTERY
+
- -
+
PV
VE.DIRECT
VE.DIRECT
CHASSIS
BOND
(BEHIND C.S. WHEEL WELL)
CONNECT
SOLAR
PANELS
AND PORTS
IN
PARALLEL.

Table of Contents

Related product manuals