EasyManua.ls Logo

Akai AJ-520FS

Akai AJ-520FS
68 pages
To Next Page IconTo Next Page
To Next Page IconTo Next Page
To Previous Page IconTo Previous Page
To Previous Page IconTo Previous Page
Loading...
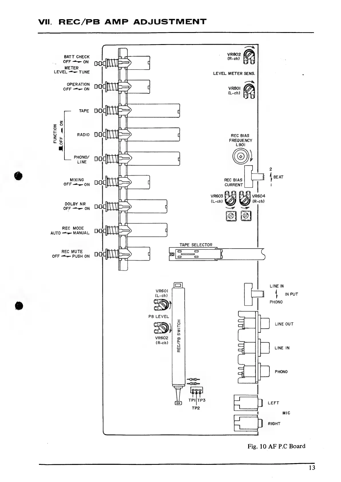
Vi.
REC/PB
AMP
ADJUSTMENT
BATT
CHECK
OFF
==
ON
METER
LEVEL
=
TUNE
LEVEL
METER
SENS.
<
OPERATION
OFF
—=
ON
VRBO!
(L-ch)
TAPE
2
2°O
a
|
bE
3
RADIO
REC
BIAS
Si
FREQUENCY
§
L901
PHONO/
LINE
2
MIXING
\
sail
OFF
=e
ON
|
|
VR604
DOLBY
NR
ru
OFF
=e
ON
REC
MODE
AUTO
=e
MANUAL
TAPE
SELECTOR
REC
MUTE
oS
3
OFF
—“e
PUSH
ON
b>
|
LINE
IN
:
IN
PUT
|
PHONO
PB
LEVEL
x
3
LINE
OUT
=
n
vr6o2
|
m
a
“XN
re
LINE
IN
ig
PHONO
|)
vert
MIC
|]
Richt
Fig.
10
AF
P.C
Board
13

Related product manuals