EasyManua.ls Logo

Akai AM-2600

Akai AM-2600
27 pages
To Next Page IconTo Next Page
To Next Page IconTo Next Page
To Previous Page IconTo Previous Page
To Previous Page IconTo Previous Page
Loading...
Limn
33K—47K—IOOK'
I
I
-
4
-—
It?J
o
e>
•CD—(D—(D—©—©—®—
©®f%
^
©
O^yp/c®
-^©®®
®4§®
SWI
TAPE
MONITOR
11
l
-»2l
2
I
3
SOURCE
4
2
5
2
1
r
-*-3
(tl
a|
e|
1
SWI
l-F
”1
T
__
_^®©,
1
PLAY
1
(fft-
_
=dSS
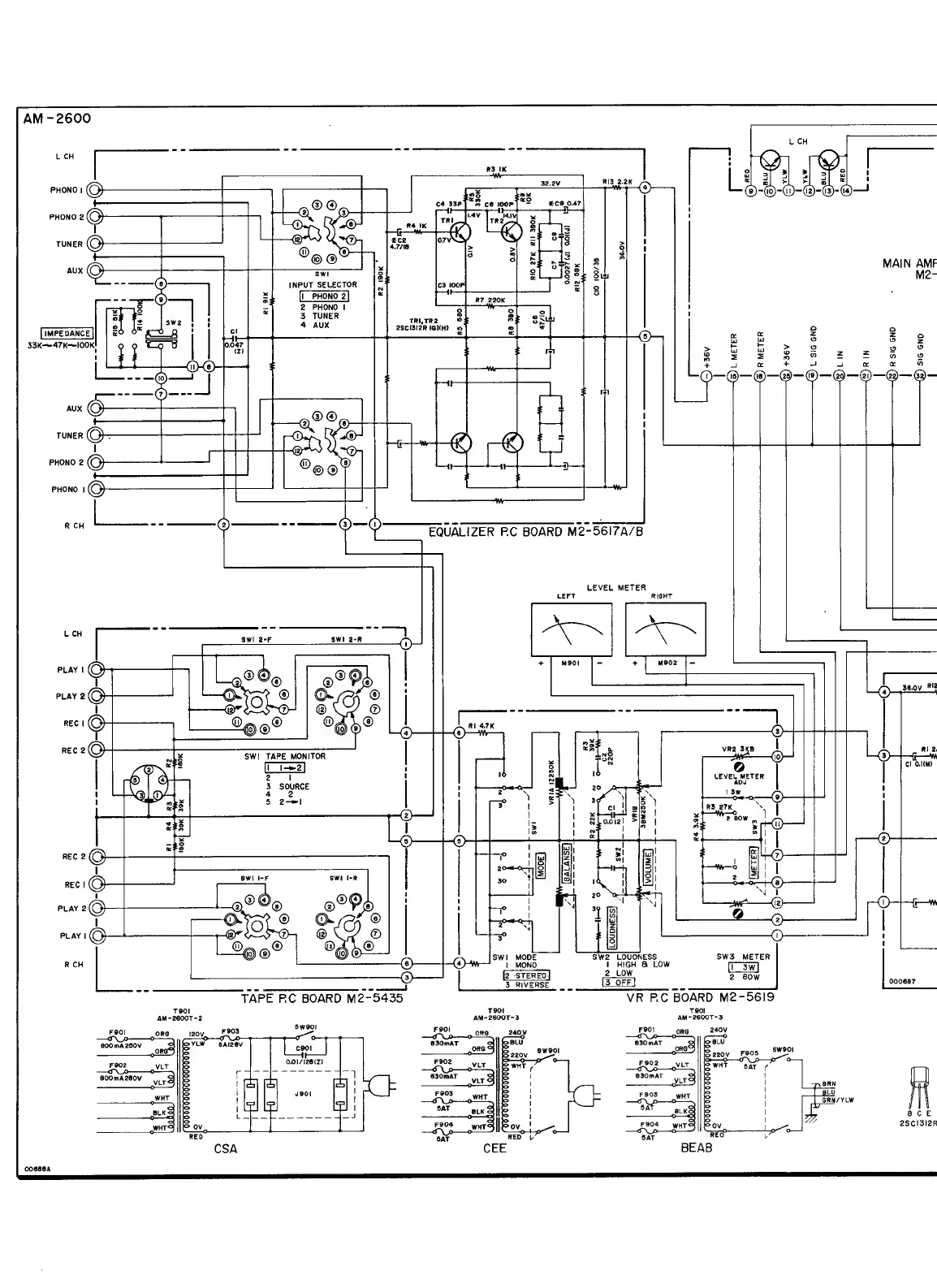
TAPE
RC
BOARD
M2-5435
F90I
800
mA
280V
0R8
I20V
q
J
yj
4
II&VLW
BAI28V
g
gOg
p
VLT
800mA280V
\~Ta
WHT^
I
l
P
OV
0
RED
EQUALIZER
P.C
BOARD
M2-56I7A/B
LEVEL
METER
LEFT
RIGHT
R5
27K
—VW—°
2
80W
,
SWI
MODE
I
MONO
|2
STEREO
I
3
RIVERSE
SW2
LOUDNESS
1
HIGH
6
LOW
2
LOW
13
OFF
I
SW3
METER
r~3wi
2
BOW
BOARD
M2-56I9
CTXj
O
0
ORQ
630mAT
3
PROP
)
F90
2
VLT
(f\
0
J
o
WHT
5
*'
"
BLK
^
F904
WHT3
240V
oBLU
S220V
P
gos_'
PWHT
0088SA

Other manuals for Akai AM-2600

Related product manuals