EasyManua.ls Logo

Akai GX-F31

Akai GX-F31
133 pages
To Next Page IconTo Next Page
To Next Page IconTo Next Page
To Previous Page IconTo Previous Page
To Previous Page IconTo Previous Page
Loading...
0
0
0 0
IIY
1111
4!1
-t-l
i-1-i
r
HAl2019
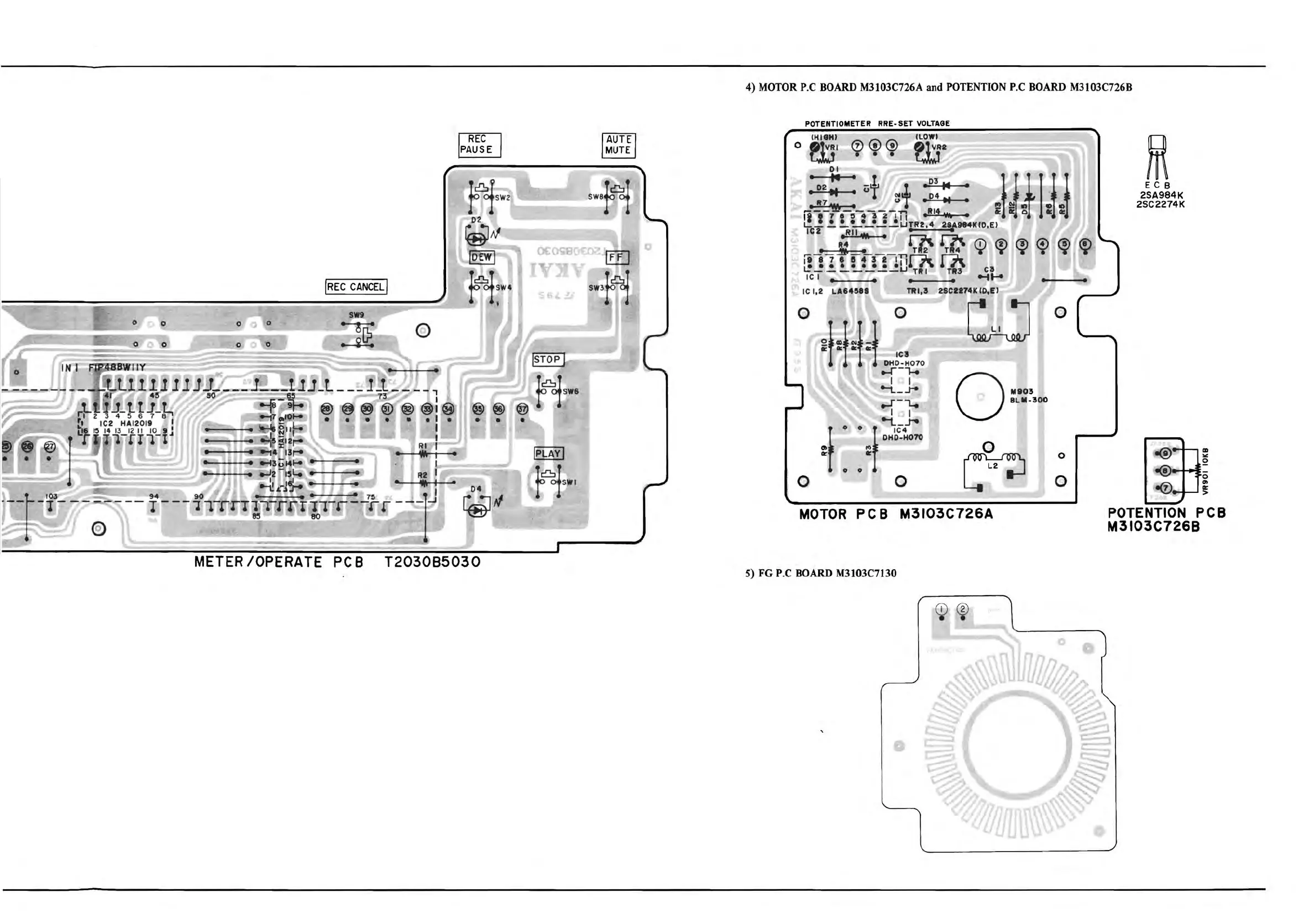
METER/OPERATE
PCB
T203085030
4)
MOTOR P.C BOARD M3103C726A and POTENTION P.C BOARD M3103C726B
POTENTIOMETER RRE-SET
VOLTAGE
IC 1,2
LAf41Jel
Tltl,I
2SCtt74K
10,El
0
0
w
0
11
-
E
a:
a:
a:
ICI
DHD-H070
-
....
I I 0
==:
:~:
~!
DO
I I
.
>f
~~
---
c~·
-~
---
MOTOR
PCB
M3103C726A
5) FG P.C BOARD M3103C7130
0
0
0
ffl
EC
B
2SA984K
2SC2274K
~i
POTENTION PCB
M3103C726B

Related product manuals