EasyManua.ls Logo

Alcatel-Lucent OXO Connect Compact - Page 57

Alcatel-Lucent OXO Connect Compact
207 pages
Print Icon
To Next Page IconTo Next Page
To Next Page IconTo Next Page
To Previous Page IconTo Previous Page
To Previous Page IconTo Previous Page
Loading...
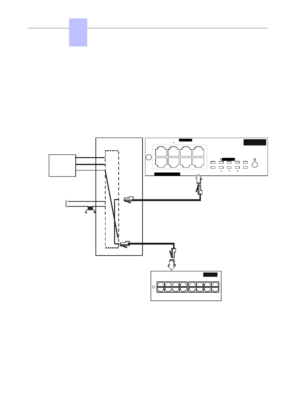
4.2.7.6 Connecting a Doorphone
2 doorphone types are available, depending on the operating mode used:
Type A: relay-controlled doorphones (e.g. NPTT)
Type B: doorphones controlled by MF Q23 signals requiring an SLI interface (e.g. TELEMINI and
UNIVERSAL DOORPHONE)
The doorphone interface comprises an intercom and an optional latch powered by the mains supply
through a SELV (Safety Extra Low Voltage) transformer.
It is connected via the DOORPHA and DOORPHB outputs (control contacts open when idle) of the
DOORPHONE connector.
4.2.7.6.1 Connecting a NPTT Doorphone
BUSINESS PROCESSING UNIT
LAN
LAN
CONFIG.
DOORPHONEAUDIO MODULE
MODULE 1
FAN POWER
CPU
MODULE 2
AUX
ISDN T0 1 ISDN T0 2
SLI1/2 &
Mini-MIX
220V
DoorPhB1
DoorPhB2
DoorPhA1
DoorPhA2
9
10
11
12
13
14
15
16
1
2
3
4
5
6
7
8
ANALOG INTERFACES
SLI16-2
A
Distribution panel
To door
lock keeper
DOORPHONE
PowerCPU EE
A single doorphone with doorstrike may be connected to the system.
The system also allows for the connection of 2 doorphones without latch.
4.2.7.6.2 Connecting a Telemini and Universal Doorphone
These doorphones require the use of a Z station interface.
Several of these doorphones can be connected to the system; the limit is determined by the
maximum number of analog stations the system can support.
Chapter
4
Installation and Cabling
3EH21123USAA - Ed. 01 - April 2017 - Installation Manual 57/207

Table of Contents

Related product manuals