EasyManua.ls Logo

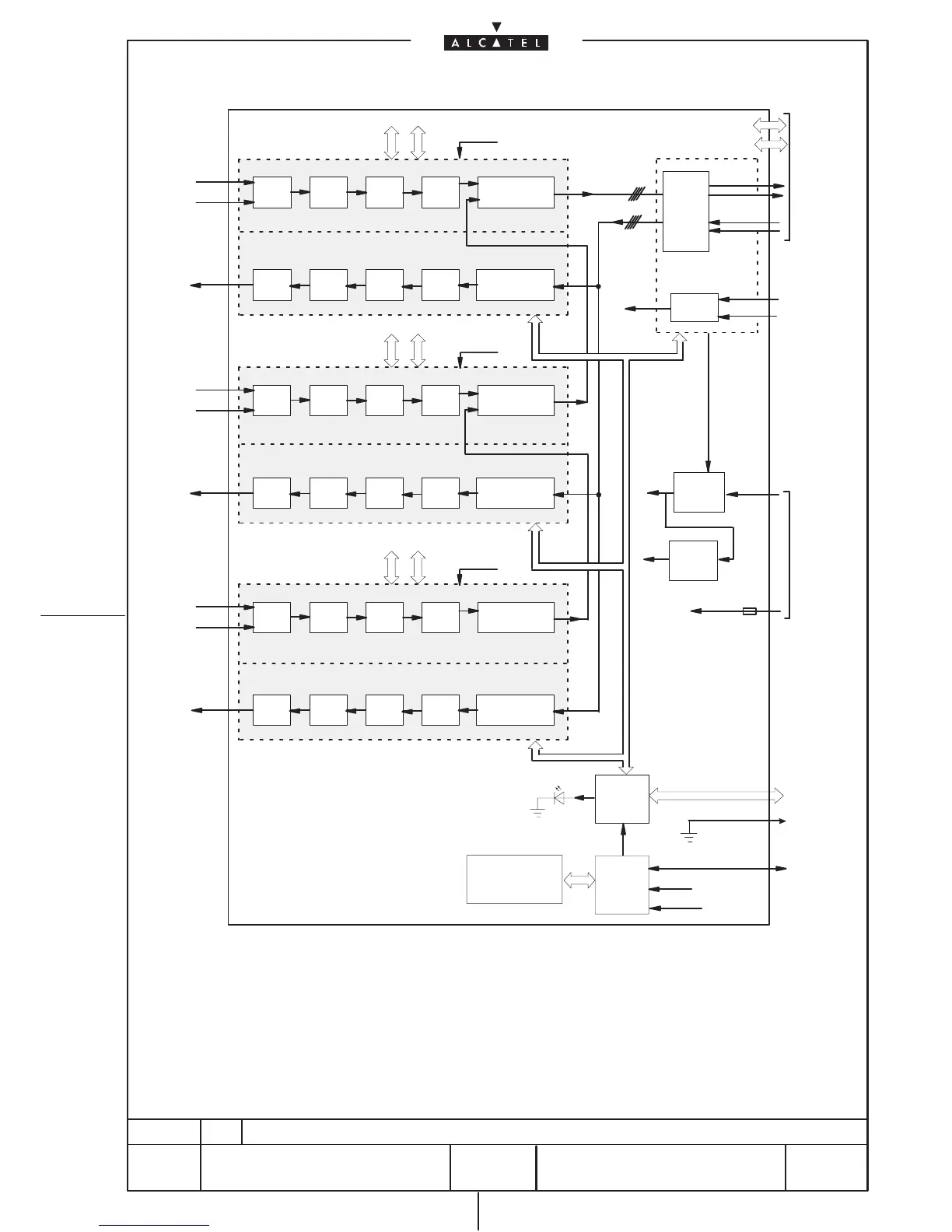
Alcatel 1660SM - Figure 260. 3 X34;45 Port Card -Block Diagram

Alcatel 1660SM
680 pages
Print Icon
To Next Page IconTo Next Page
To Next Page IconTo Next Page
To Previous Page IconTo Previous Page
To Previous Page IconTo Previous Page
Loading...
All rights reserved. Passing on and copying of this
document, use and communication of its contents
not permitted without written authorization from Alcatel.
ED
1AA 00014 0004 (9007) A4 – ALICE 04.10
441
02
/3AL 91669 AA AA
674
674
AUX DCC
AUX DCC
AUX DCC
TIMING
CK 38.88
CK 38.88
CK 38.88
CK 38.88
M–BUS
Driver
Bus–off
RIBUS
I/F
REMOTE
INVENTORY
Id
RIBUS
Unit
Failure
Management bus
Configuration and Status
DC/DC
CONV.
STEP
DOWN
3.3 V
2.5 V
Power
Sync
48/60 V
Data IN
LOS
Data OUT
Data IN
LOS
Data IN
LOS
Data OUT
Data OUT
STM4
BPF
I/F
4 X 38.88 Mbit/s
622 Mbit/s
34/45 Mb/s #1
34/45 Mb/s #2
34/45 Mb/s #3
To/From
MATRIXE
Main and Spare
From
MATRIXE
Main and Spare
To/From
MATRIXE
Main and Spare
from
CONGI A & B
From/To
Access Card
From/To
Access Card
From/To
Access Card
DCC
AUX
Output side
Output side
Output side
Input side
Input side
Input side
CK syst.
G.A.
STM–4 & TIMING
3 x 34/45 MBIT/S PORT CARD
AU4
ASSEMBLY
LPA
LPA
LPT
LPT
LTCA
LTCA
LTCT
LTCT AU4
DISASS.
AU4
ASSEMBLY
LPA
LPA
LPT
LPT
LTCA
LTCA
LTCT
LTCT AU4
AU4
ASSEMBLY
LPA
LPA
LPT
LPT
LTCA
LTCA
LTCT
LTCT AU4
DISASS.
DISASS.
+ 3.3 Vdc
+ 3.3 Vdc
CMISS
F
Figure 260. 3x34/45 port card –Block diagram

Table of Contents

Other manuals for Alcatel 1660SM