EasyManua.ls Logo

Alesis PROLINEAR 720 DSP - Page 25

Alesis PROLINEAR 720 DSP
60 pages
Print Icon
To Next Page IconTo Next Page
To Next Page IconTo Next Page
To Previous Page IconTo Previous Page
To Previous Page IconTo Previous Page
Loading...
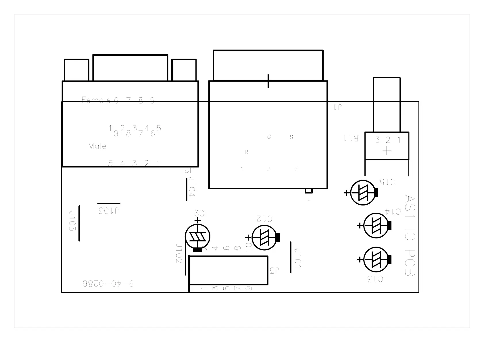
Top Assembly Drawing

Related product manuals