EasyManua.ls Logo

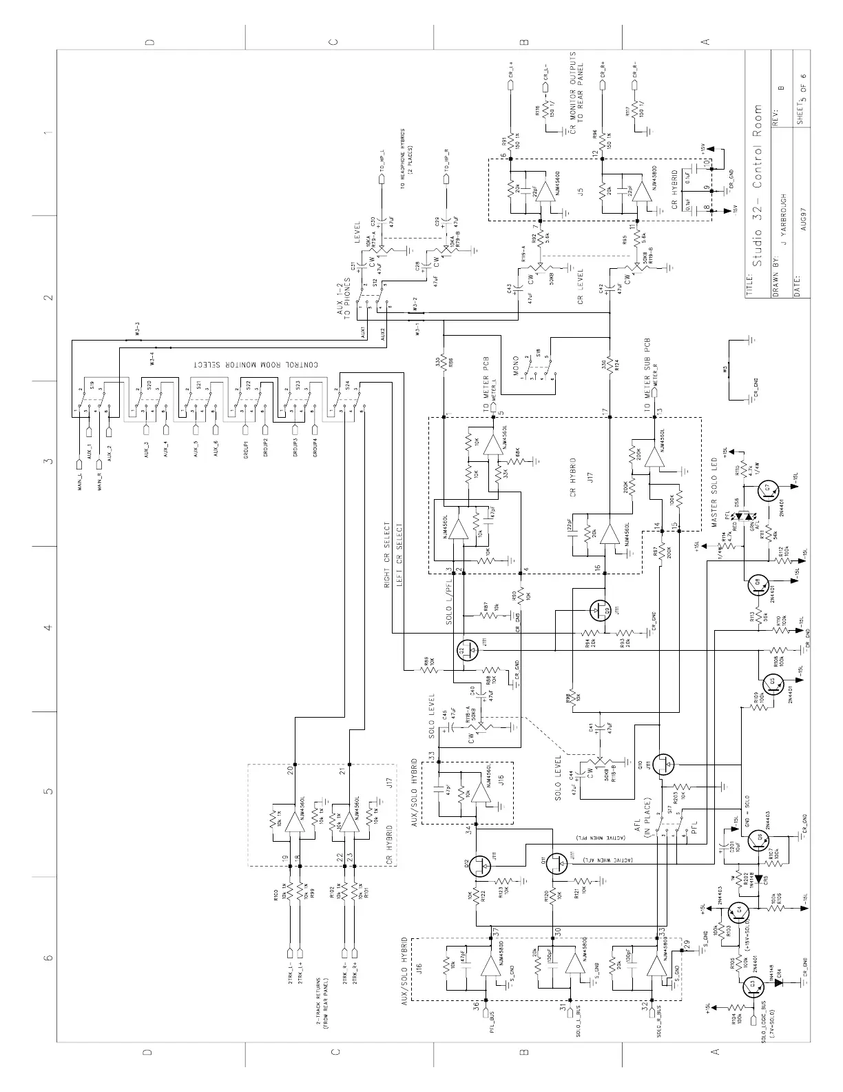
Alesis Studio 32 - Control Room Monitoring Schematic

Alesis Studio 32
36 pages
Print Icon
To Next Page IconTo Next Page
To Next Page IconTo Next Page
To Previous Page IconTo Previous Page
To Previous Page IconTo Previous Page
Loading...

Other manuals for Alesis Studio 32

Related product manuals