EasyManua.ls Logo

Align AL/CE-500P - Page 11

Align AL/CE-500P
15 pages
Print Icon
To Next Page IconTo Next Page
To Next Page IconTo Next Page
To Previous Page IconTo Previous Page
To Previous Page IconTo Previous Page
Loading...
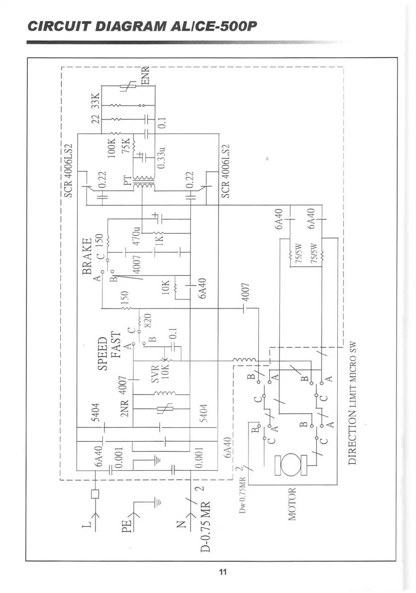
CIRCUIT DIAGRAM ALICE-SOOP
r---------~-----------------------
I Z I
I ~~ I
I
:I
I
I ~ I
I ""
II ~
!----"vv-----il ~ ~
II
co
I
Il
rr---------,
IN ~ ~
:~ s ~~~~
18
co
I;:;
IT ~
I~ ~
I
=r=
I
I
I
I
.----+-.~_'_llf__--_l
II
o
I
Q
11