EasyManua.ls Logo

Alliance Laundry Systems A-Control - Page 36

Alliance Laundry Systems A-Control
58 pages
Print Icon
To Next Page IconTo Next Page
To Next Page IconTo Next Page
To Previous Page IconTo Previous Page
To Previous Page IconTo Previous Page
Loading...
34 F232205
© Copyright, Alliance Laundry Systems LLC – DO NOT COPY or TRANSMIT
Troubleshooting
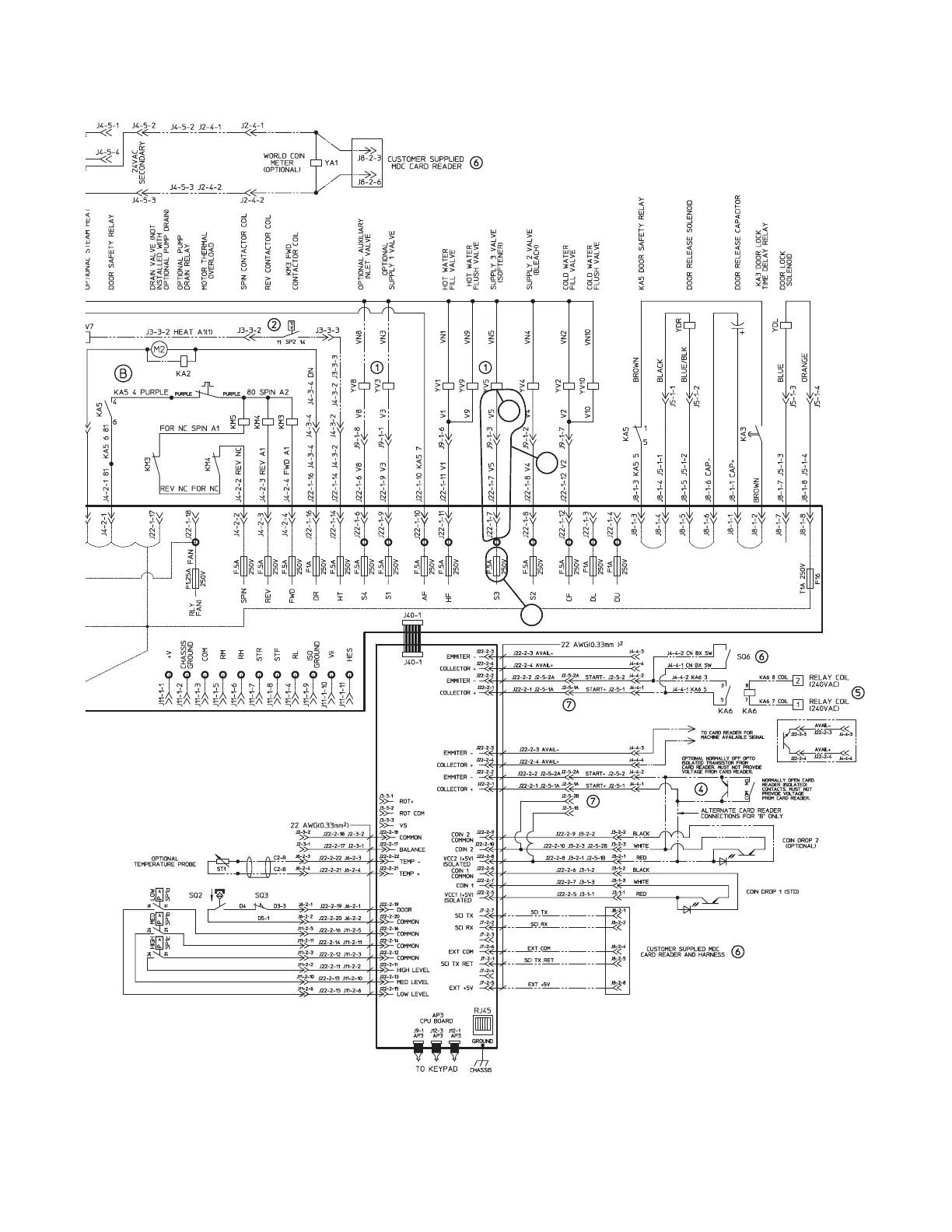
No Supply 3 Fill Analysis (Sheet 2 of 2)
CHM384S
1A
4A
3A

Table of Contents

Related product manuals