EasyManua.ls Logo

Allied 495 - Sub Frame Assembly and Parts; Sub Frame Diagrams and Mounting Details

Default Icon
38 pages
Print Icon
To Next Page IconTo Next Page
To Next Page IconTo Next Page
To Previous Page IconTo Previous Page
To Previous Page IconTo Previous Page
Loading...
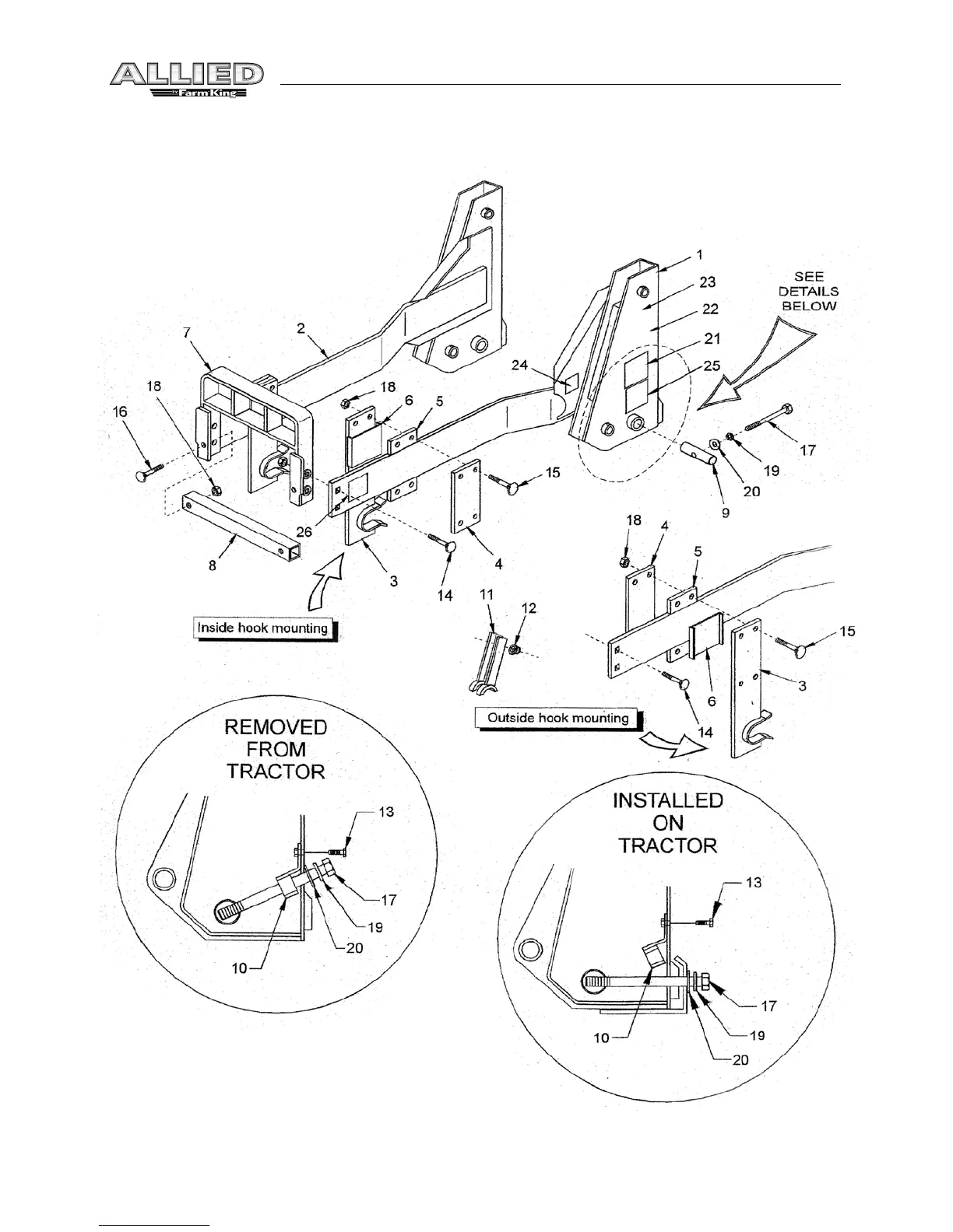
26
Parts - 495 & S495 Loader
Sub Frame Assembly

Related product manuals