EasyManua.ls Logo

Allied 495 - Main Frame Assembly and Parts; Main Frame Diagram

Default Icon
38 pages
Print Icon
To Next Page IconTo Next Page
To Next Page IconTo Next Page
To Previous Page IconTo Previous Page
To Previous Page IconTo Previous Page
Loading...
28
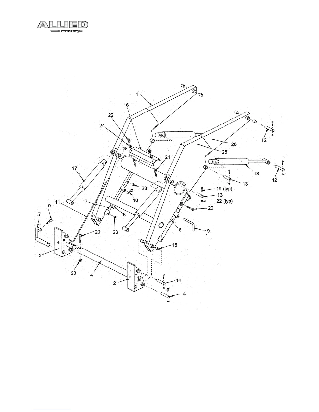
Parts - 495 & S495 Loader
Main Frame Assembly

Related product manuals