EasyManua.ls Logo

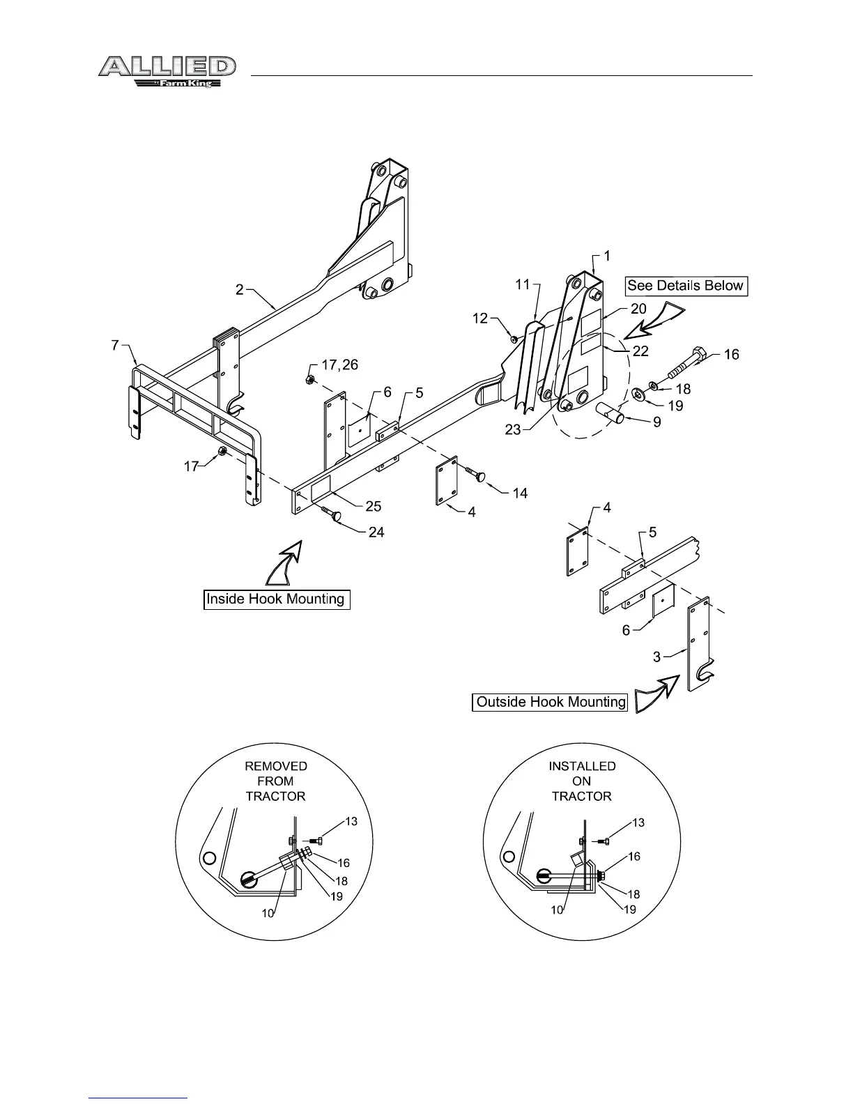
Allied 795 - Parts; Sub Frame Assembly Drawing and Parts List

Allied 795
42 pages
Print Icon
To Next Page IconTo Next Page
To Next Page IconTo Next Page
To Previous Page IconTo Previous Page
To Previous Page IconTo Previous Page
Loading...
26
Parts - 795 Loader
Sub Frame Assembly