EasyManua.ls Logo

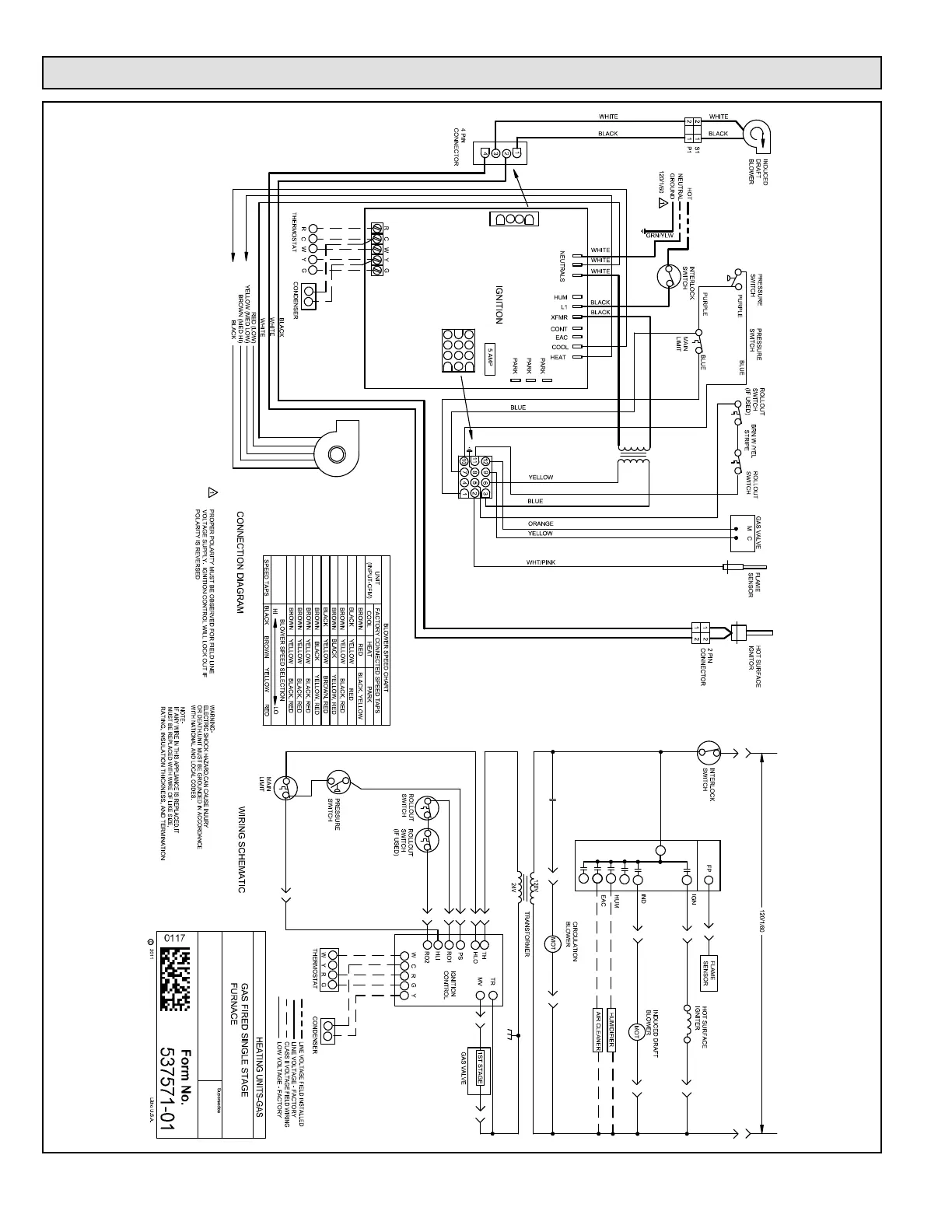
Allied A80UH1E - Wiring Diagram

Allied A80UH1E
34 pages
Print Icon
To Next Page IconTo Next Page
To Next Page IconTo Next Page
To Previous Page IconTo Previous Page
To Previous Page IconTo Previous Page
Loading...
508096-01Issue 2037Page 30 of 34
045-12
135-20
110-20
110-16
110-12
090-16
090-12
070-12
070-08
Wiring Diagram