EasyManua.ls Logo

Allied A95UH1D - Parts Arrangement

Default Icon
60 pages
Print Icon
To Next Page IconTo Next Page
To Next Page IconTo Next Page
To Previous Page IconTo Previous Page
To Previous Page IconTo Previous Page
Loading...
507270-03 Page 3 of 60Issue 1621
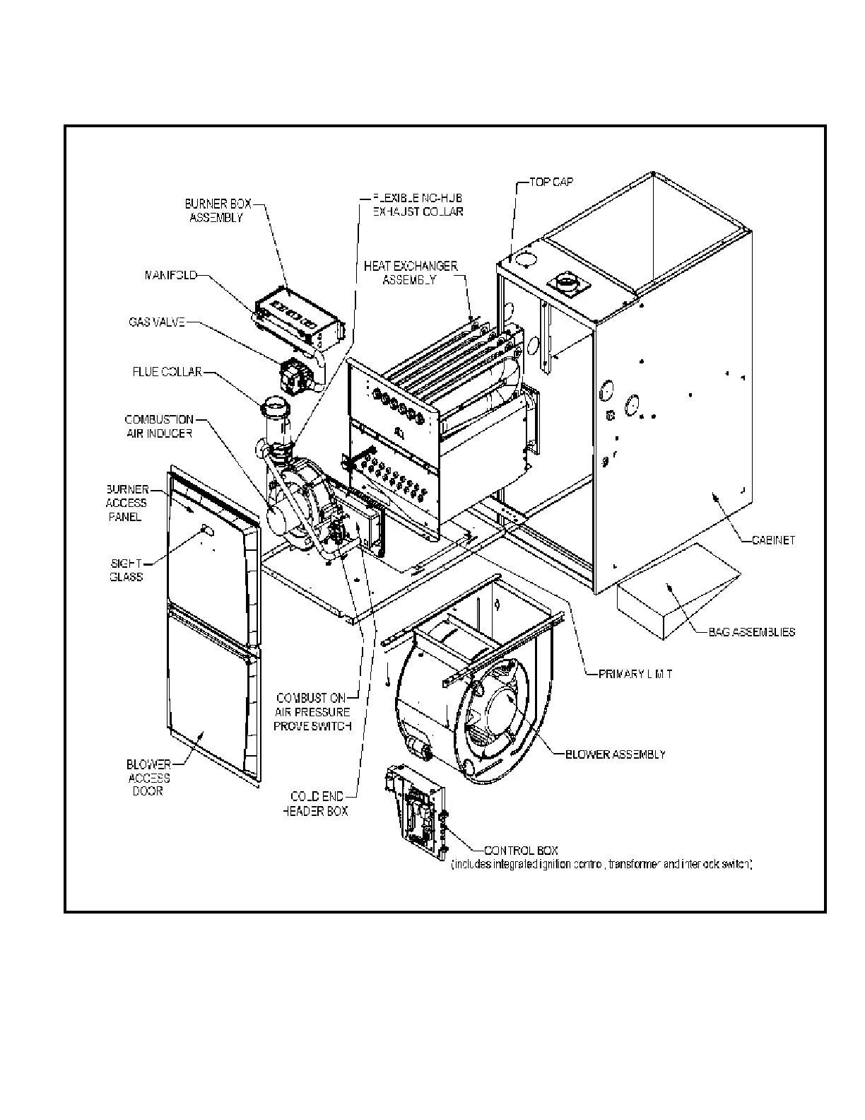
EXPANDED VIEW
Figure 1

Related product manuals