EasyManua.ls Logo

Allied A95UH1D - Unit Operation Verification; Heating Mode Operation Checks; Cooling Mode Operation Checks

Default Icon
60 pages
Print Icon
To Next Page IconTo Next Page
To Next Page IconTo Next Page
To Previous Page IconTo Previous Page
To Previous Page IconTo Previous Page
Loading...
507270-03 Page 59 of 60Issue 1621
Contractor’s: Name_________________________Telephone_____________Checklist Completed____________________
Job Address_____________________________________Technician’s Name___________________________________
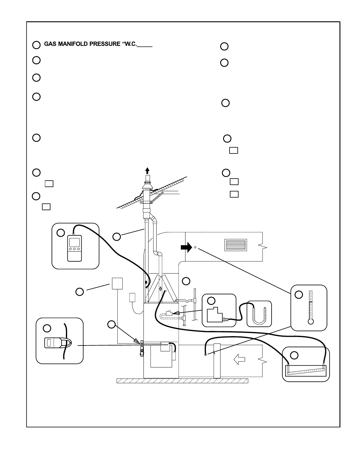
1
HEATING MODE
COMBUSTION SAMPLE CO
2
%
______
CO PPM_______
2
INDOOR BLOWER AMPS______
3
TEMPERATURE RISE
4
Supply Duct Temperature ________
Return Duct Temperature
_
_____
Temperature Rise = ________
TOTAL EXTERNAL STATIC
5
Supply External Static _______
Return External Static + ______
Total External Static = _______
CONDENSATE LINE
6
Leak Free
VENT PIPE
7
Leak Free
COOLING MODE
INDOOR BLOWER AMPS______
3
TEMPERATURE DROP
Return Duct Temperature _________
Supply Duct Temperature
_
_______
Temperature Drop = _________
4
DRAIN LINE
8
Leak Free
THERMOSTAT
Adjusted and Programmed
Explained Operation to Owner
9
SUPPLY
AIR
Blower Motor Amps
Duct Static
Thermostat
Gas Manifold Pressure
1
2
3
4
5
6
7
8
9
Temperatures
RETURN AIR
Combustion CO
2
UNIT OPERATION
TOTAL EXTERNAL STATIC (dry coil)
Supply External Static _______
Return External Static + ______
Total External Static = _______
5

Related product manuals