EasyManua.ls Logo

Alpine 7190M - Page 25

Alpine 7190M
49 pages
Print Icon
To Next Page IconTo Next Page
To Next Page IconTo Next Page
To Previous Page IconTo Previous Page
To Previous Page IconTo Previous Page
Loading...
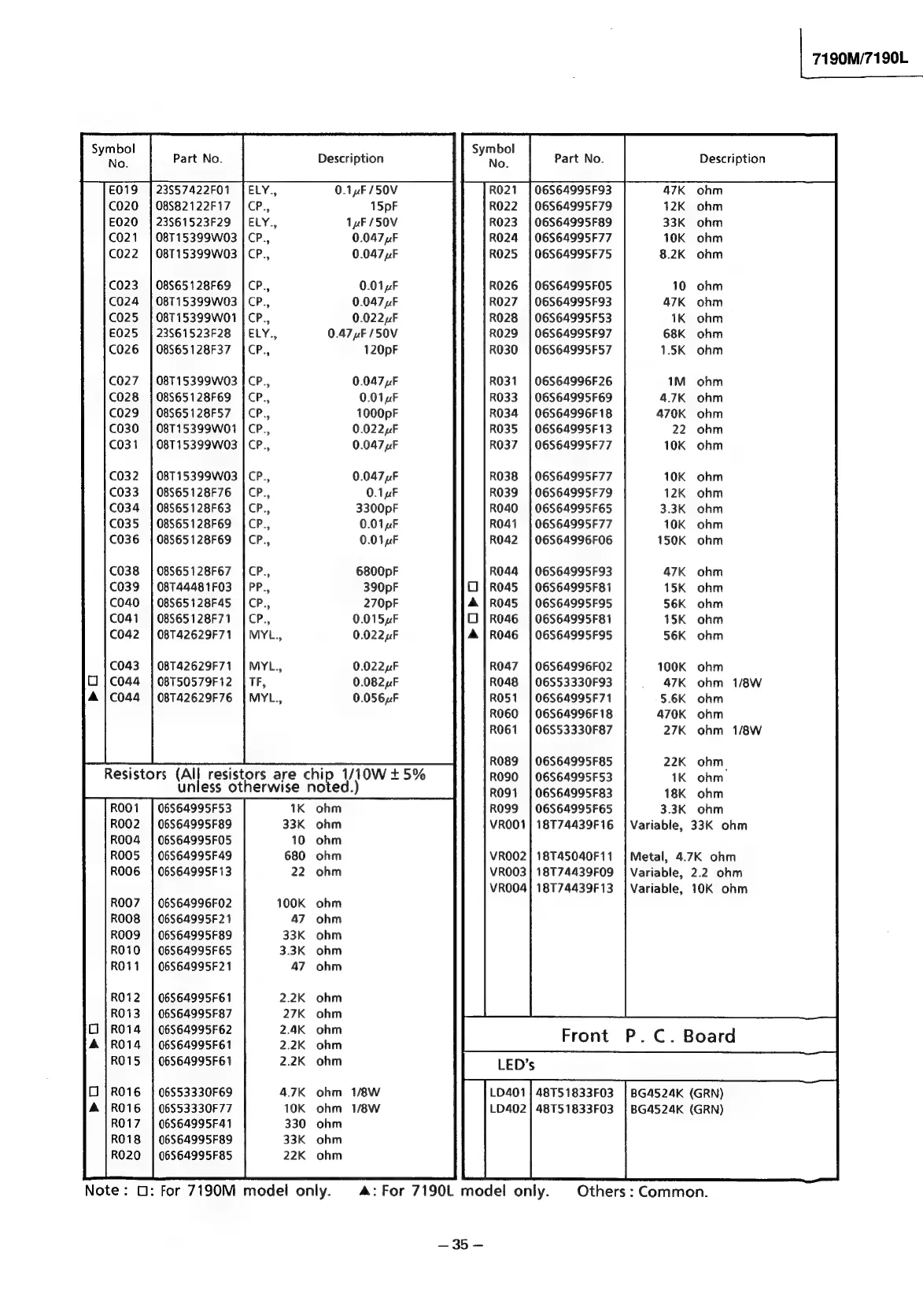
23857422F01
08$82122F17
23861523F29
08T15399W03
08T15399W03
08565
128F69
08T15399W03
08T15399W01
23561523F28
08565
128F37
08T15399W03
08565
128F69
08565
128F57
08T15399W01
08T15399W03
08T15399W03
08565
128F76
08565
128F63
08565
128F69
08565
128F69
08565
128F67
08T44481F03
08S65128F45
08S65128F71
08T42629F71
08T42629F71
08T50579F12
08T42629F76
ELY.,
Resistors
(All
resistors
are
chi
Symbol
er
No.
Part
No.
Description
0.1nF/50V
15pF
1pE/50V
0.047
uF
0.047
uF
0.01
pF
0.047
uF
0.022uF
0.47
uF
/50V
120pF
0.047
4F
0.01
uF
1000pF
0.0224F
0.047
uF
0.047
uF
0.14F
3300pF
0.01
uF
0.01
uF
6800pF
390pF
270pF
0.015
uF
0.022.F
0.022
uF
0.082uF
0.056uF
V/i0W
+
5%
unless
otherwise
noted.)
06S64995F53
06S64995F89
06S64995F05
06S64995F49
06S64995F
13
06564996F02
06S64995F21
06564995F89
06S64995F65
06S64995F21
06S64995F61
06S64995F87
06S64995F62
06S64995F61
06S64995F61
06853330F69
06853330F77
06864995F41
06S64995F89
06S64995F85
Note:
G:
For
7190M
model
only.
A:
For
7190L
model
only.
_—35—
06864995F93
06864995F79
06S64995F89
06S64995F77
06S64995F75
06S64995F05
06$64995F93
06864995F53
06864995F97
06S864995F57
06S64996F26
06S64995F69
06S64996F18
06S64995F13
06S64995F77
06S64995F77
06864995F79
06S64995F65
06S64995F77
06S64996F06
06$64995F93
06S64995F81
06S64995F95
06S64995F81
06S64995F95
06S64996F02
06$53330F93
06$64995F71
06S64996F
18
06S53330F87
06S64995F85
06S64995F53
06$64995F83
06S64995F65
18T74439F
16
18T45040F
11
18T74439F09
18T74439F
13
a
48T51833F03
LD402
|
48T51833F03
47K
12K
33K
10K
8.2K
10
47K
1K
68K
1.5K
1M
4.7K
470K
22
10K
10K
12K
3.3K
10K
150K
47K
15K
56K
15K
56K
100K
47K
5.6K
470K
27K
22K
1K
18K
3.3K
Variable,
33K
ohm
Metal,
4.7K
ohm
Variable,
2.2
ohm
Variable,
10K
ohm
ohm
ohm
ohm
ohm
ohm
ohm
ohm
ohm
ohm
ohm
ohm
ohm
ohm
ohm
ohm
ohm
ohm
ohm
ohm
ohm
ohm
ohm
ohm
ohm
ohm
ohm
ohm
ohm
ohm
ohm
ohm
ohm
ohm
ohm
BG4524K
(GRN)
BG4524K
(GRN)
Others
:
Common.
7190M/7190L.
Symbol
aan
No.
Part
No.
Description
Front
P.C.
Board
i
ees
s

Related product manuals