EasyManua.ls Logo

Alpine 7390M - Semi-Conductor Lead Identifications (continued); IC Lead Identifications (continued)

Alpine 7390M
72 pages
Print Icon
To Next Page IconTo Next Page
To Next Page IconTo Next Page
To Previous Page IconTo Previous Page
To Previous Page IconTo Previous Page
Loading...
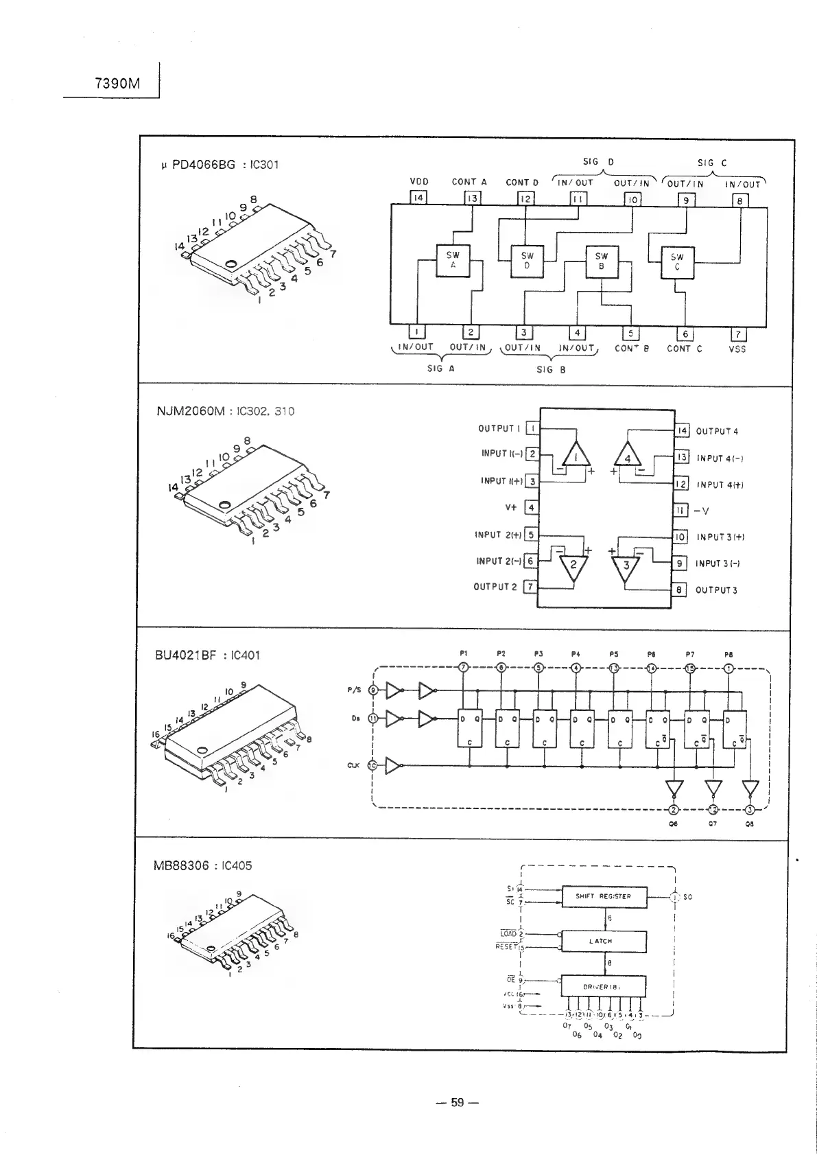
7390M
|
u
PD4066BG
:
IC301
ae
SIG
C
CONTD
“IN/OUT
OUT/IN
“OUT/IN.
IN/OUT
IN/OUT
OUT/IN,
OUT/IN
IN/OUT,
CON”
B
CONT
C
VSS
SIG
A
SIG
B
NJM2060M
:
IC302,
310
OUTPUT
|
=Y
INPUT
3
(+)
INPUT
3
(-)
OUTPUTS
BU4021BF
:
IC401
is
)
Ll
ie
e
eat
Le
AIALHIALAIBI
MB88306
:
IC405
Or
02
09
59

Related product manuals