EasyManua.ls Logo

Alpine 7516MM - Page 16

Alpine 7516MM
66 pages
Print Icon
To Next Page IconTo Next Page
To Next Page IconTo Next Page
To Previous Page IconTo Previous Page
To Previous Page IconTo Previous Page
Loading...
7516M/7516MM
7516M/7516MM
(7516L /7516L
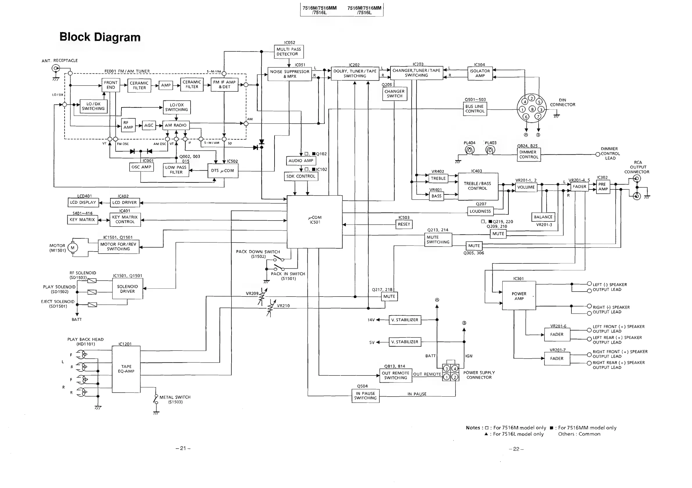
Block
Diagram
1C052
&
MPX
SWITCHING
AMP
Q205
SWITCH
OOS
DIN
BUS
LINE
CONNECTOR
DOO
MULT!
PASS
DETECTOR
ANT.
RECEPTACLE
(3)
1€051
L
1€202
i
1€203
'
1C304
Mesecesss
FEOO1
FM/AM
TUNER
is
S-M/EM
NOISE
SUPPRESSOR
DOLBY,
TUNER/
TAPE
CHANGER,TUNER/
TAPE
P|
ISOLATOR
eS
ed
I
ag
a
aa
er
es
aN
eS,
ieee
SWITCHING
LO/DX
!
eo
LO/DX
i
SWITCHING
1
|
©
©
i]
'
i}
6
©
PL404
~—-
PLAO3
7
(6)
824,
825
DIMMER
DIMMER
CONTROL
CONTROL
LEAD
tp
RCA
OUTPUT
CONNECTOR
eRe
VR201-1,
2
|
VR201-4,
5
ioe
©)
PRE
common
LT,
bf
vouume
[Tt
FI
ramen
FF)
2s,
LcD401
1€402
©)
a01=
416
ae
BALANCE
CONTROL
C1,
mQ219,
220
Q209,
210
VR201-3
1C€1501,
Q1501
MOTOR
FOR/REV
SWITCHING
PACK
DOWN
SWITCH
Q305,
306
($1502)
oe,
,
PACK
IN
SWITCH
($1501)
1€301
O
LEFT
(-)
SPEAKER
(>)
OUTPUT
LEAD
VR209
POWER
|
|
mute
|
®
AMP
(SD1501)
VR210
es
O
RIGHT
(-)
SPEAKER
©
OUTPUT
LEAD
on
rm
:
VR201-6
LEFT
FRONT
(+)
SPEAKER
©
OUTPUT
LEAD
PLAY
BACK
HEAD
C)
LEFT
REAR
(+)
SPEAKER
(HD1101)
Ic1201
5V
V.
STABILIZER
OUTPUT
LEAD
:
VR201-7
C
RIGHT
FRONT
(+)
SPEAKER
BATT
IGN
Eisen
OUTPUT
LEAD
L
[|
()
RIGHT
REAR
(+)
SPEAKER
RF
SOLENOID
(SD1503)
IC1501,
Q1501
SOLENOID
DRIVER
PLAY
SOLENOID
(SD1502)
<p
>
|
Q813,
814
Ia
OUTPUT
LEAD
OUT
REMOTE
|OuT
REMOTE
POWER
SUPPLY
E
Pt
SWITCHING
IQ
CONNECTOR
Q504
=
g
L
IN
PAUSE
IN
PAUSE
METAL
SWITCH
SWITCHING
i
($1503)
Notes
:G:
For
7516M
model
only
m
:
For
7516MM
model
only
&
:
For
7516L
model
only
Others
:
Common
=Di<
ae

Related product manuals