EasyManua.ls Logo

Alpine DVA-7996 - Wiring and Connections Overview

Alpine DVA-7996
64 pages
Print Icon
To Next Page IconTo Next Page
To Next Page IconTo Next Page
To Previous Page IconTo Previous Page
To Previous Page IconTo Previous Page
Loading...
57-EN
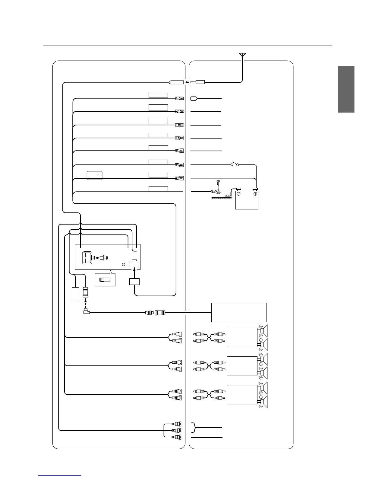
Connections
Ai-NET
NORM EQ/DIV
BATTERY
IGNITION
GND
Red
Yellow
Black
REMOTE IN
White/Brown
ILLUMINATION
Orange
AUDIO
INTERRUPT IN
Pink/Black
REMOTE
TURN-ON
Blue/White
POWER ANT
Blue
Ignition Key
To power antenna
To amplifier or equalizer
To vehicle phone
To the instrument cluster illumination
lead
Antenna
Battery
CD Changer
(Sold Separately)
Amplifier
Amplifier
Amplifier
Speakers
Front Left
Front Right
Rear Left
Rear Right
Subwoofers
Choke coil
/Fuse
To Audio input of external device
(R. L)
To Video input of external device
To remote control output lead
AUX OUT Cable
1
2
3
4
5
6
7
8
p
9
q
w
e
r
t
y
u
i
o
;
a
s
d
d
d

Table of Contents

Related product manuals