EasyManua.ls Logo

Alpine iLX-700 - Connection of an External Amplifier

Alpine iLX-700
41 pages
Print Icon
To Next Page IconTo Next Page
To Next Page IconTo Next Page
To Previous Page IconTo Previous Page
To Previous Page IconTo Previous Page
Loading...
38-EN
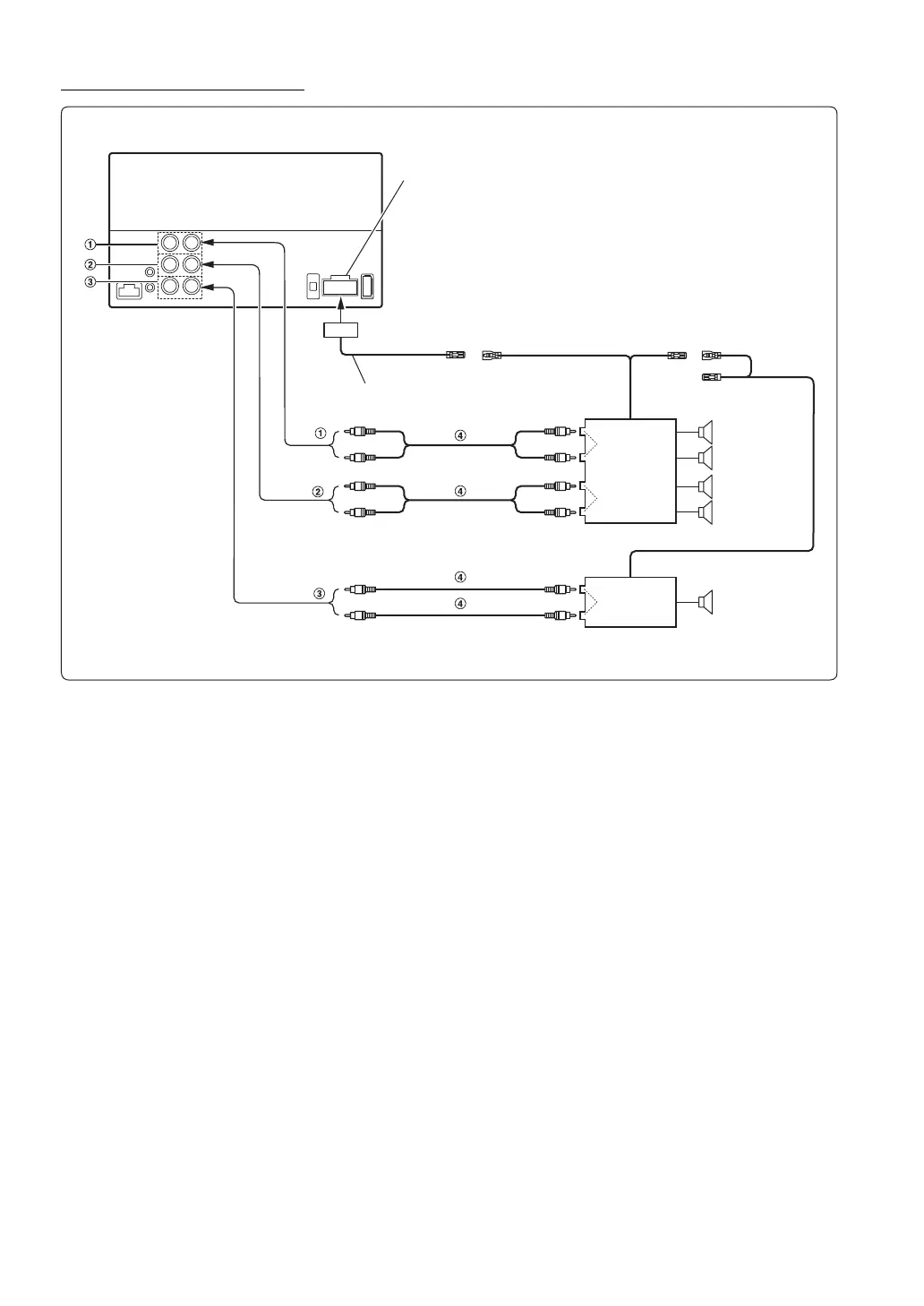
Connection of an External Amplifier
1 Front Output RCA Connectors
RED is right and WHITE is left.
2 Rear Output RCA Connectors
RED is right and WHITE is left.
3 Subwoofer RCA Connector
4 RCA Extension Cable (Sold separately)
Power Supply Connector
Amplifier 4 ch (Sold separately)
Input
Input
Front speaker
Rear speaker
REMO
(Blue/White)
Power Cable
Amplifier for subwoofer (Sold separately)
Input
Subwoofer
REMOTE ON
(Blue/White)
REMOTE ON
(Blue/White)

Table of Contents

Other manuals for Alpine iLX-700

Related product manuals