EasyManua.ls Logo

Alpine INE-W960A - Page 92

Alpine INE-W960A
180 pages
Print Icon
To Next Page IconTo Next Page
To Next Page IconTo Next Page
To Previous Page IconTo Previous Page
To Previous Page IconTo Previous Page
Loading...
92-EN
01GB06INE-W960E.fm
ALPINE INE-W960A/INE-W960E INE-W960E_OM (EN)
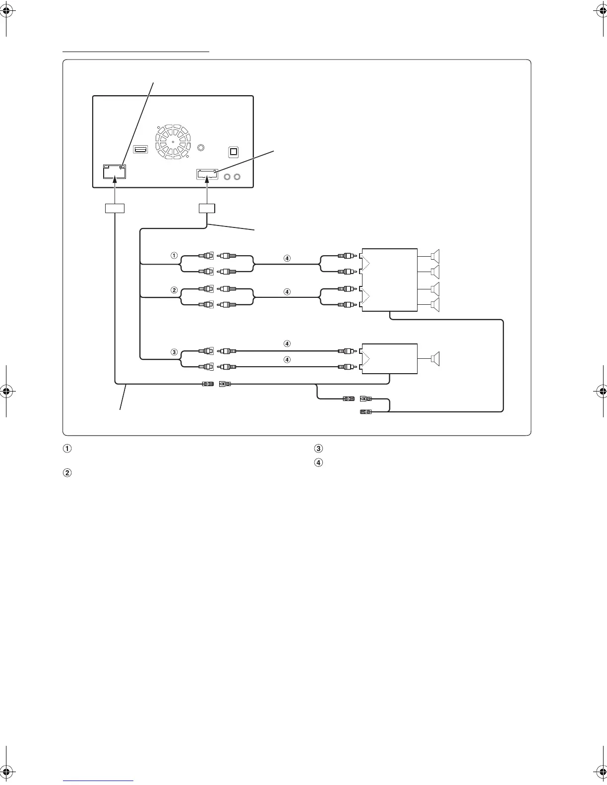
Connection of an External Amplifier
Front Output RCA Connectors
RED is right and WHITE is left.
Rear Output RCA Connectors
RED is right and WHITE is left.
Subwoofer RCA Connector
RCA Extension Cable (Sold separately)
CAMERA/AUX/PRE OUT Connector
Power Supply Connector
CAMERA/AUX/PRE OUT cable
(Red)
(White)
Amplifier 4 ch (Sold separately)
Input
Input
Front speaker
Rear speaker
REMOTE TURN-ON
(Blue/White)
Power cable
Amplifier for subwoofer (Sold separately)
Input
Subwoofer
(Red)
(White)
REMOTE ON
(Blue/White)
REMOTE ON
(Blue/White)
(Red)
(White)
01GB00INE-W960E.book Page 92 Wednesday, November 19, 2014 5:31 PM

Table of Contents

Related product manuals